WST-25RS
Side Thrust Pins - 7.874x3.048x6.604 mm Single Sided - Plastic Ball Pin
MBA
Store: Minibearings - Miniature Bearings Australia - Online, Pick-Up, Retail, Distributors, Wholesale Additional resources:Master Pins Catalogue PDF
Order 50 or more for $49.55 AUD
Base Category: Pins - Side Thrust
Top Level Category: Pins - Side Thrust - Single Sided - Plastic Ball
Product Details
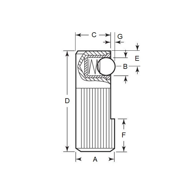
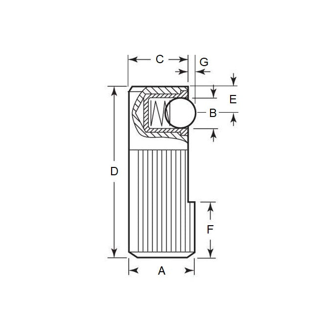
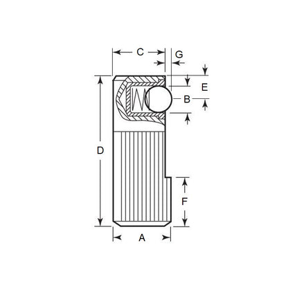
Knurled Diameter (A): 7.874mm(7.874mm is 0.31 in.)
Plastic Ball
- Knurled Diameter (A): 7.874mm
(7.874mm is 0.31 in.)
- Ball Diameter (B): 3.048mm
(3.048mm is 0.12 in.)
- End Diameter (C): 6.604mm
(6.604mm is 0.26 in.)
- D: 24.892mm
- E: 3.556mm
- F: 6.096mm
- G: 1.016mm
- Initial Load Rating: 0.25Kg
- Final Load Rating: 0.66Kg
Brand: MBA
Country of Origin: US
Product Compliance and Data
We offer equivalents to many brands including Anderton, Barden, Berg, Designatronics, EZO, ISC, Koyo, Myonic, NMB, Nordex, NSK, Ondrives, Reid Industrial, RMB, SDP-SI, Seeger, SKF, and more.
Share




Click to open these sections
Collapsible content
PICK UP
Pick up is available from our Coopers Plains warehouse after your order is ready. Please refer to your ready notification email, and bring it with you to collect your parcel.
PDF CATALOGUES
You may freely download the following catalogues to review and compare products. To help you select the most readily available items, rows are colour coded and marked according to the key at the bottom of each page.
Part numbers from these catalogues can be checked in the online store. If they don't appear in the store, please email us for more information about the part.
Bearing Material Selection and Benefits
Bearings - Corrosion Resistant
Bearings - Radial - Master List
CROSS REFERENCES
We provide equivalents to many brands including Berg - Designatronics - Nordex - NSK - Oilite - Ondrives - Reid Industrial - SDP-SI - SKF. The following PDF cross references contain hundreds of thousands of part conversions.
Information, Catalogues, and News
View all-
Free Socket Set Screws (Grub Screws) Catalogue
Download the MBA Socket Set Screws Catalogue *** 2025.4 Update *** October 2025 The MBA Socket Set Screws Catalogue includes standard cone point, dog point and specialty grub screws in...
Free Socket Set Screws (Grub Screws) Catalogue
Download the MBA Socket Set Screws Catalogue *** 2025.4 Update *** October 2025 The MBA Socket Set Screws Catalogue includes standard cone point, dog point and specialty grub screws in...
-
Free Standard Bearings Catalogue
Download the MBA Standard Bearing Range Quick Guide Catalogue *** UPDATE 2025.4 *** OCTOBER 2025 The MBA Standard Bearing Catalogue includes sizes from 0.60mm bore (0.024 inches) to 320mm bore (12.6...
Free Standard Bearings Catalogue
Download the MBA Standard Bearing Range Quick Guide Catalogue *** UPDATE 2025.4 *** OCTOBER 2025 The MBA Standard Bearing Catalogue includes sizes from 0.60mm bore (0.024 inches) to 320mm bore (12.6...
-
Free Cross Reference for Timing Belts & Pulleys
Download the MBA Timing Belts & Pulleys Cross Reference *** 2025.2 Update *** October 2025 The MBA Part Numbers in this cross-reference are determined to be equivalent or similar to...
Free Cross Reference for Timing Belts & Pulleys
Download the MBA Timing Belts & Pulleys Cross Reference *** 2025.2 Update *** October 2025 The MBA Part Numbers in this cross-reference are determined to be equivalent or similar to...
-
Free Cross Reference for NSK, NTN & ISO Ball Be...
Download the MBA Cross Reference for NSK, NTN & ISO Bearings *** 2025.2 Update *** October 2025 The MBA Part Numbers in this cross reference are determined to be equivalent...
Free Cross Reference for NSK, NTN & ISO Ball Be...
Download the MBA Cross Reference for NSK, NTN & ISO Bearings *** 2025.2 Update *** October 2025 The MBA Part Numbers in this cross reference are determined to be equivalent...