WRE-0302-SQ-HC
External Retaining Rings - 30.18x3.56x28.37 mm Snap Rings - Carbon Spring Steel
MBA
Store: Minibearings - Miniature Bearings Australia - Online, Pick-Up, Retail, Distributors, Wholesale Additional resources:Snap Rings and Spiral Rings PDF
Base Category: Retaining Rings - External
Top Level Category: Retaining Rings - External - Snap Rings - Carbon Steel
Product Details
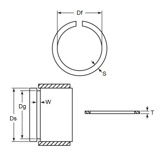
Shaft or Bearing OD (d1): 30.18mm(30.18mm is 1.188 in.)
Carbon Spring Steel
- Shaft or Bearing OD (d1): 30.18mm
(30.18mm is 1.188 in.)
- Clip Thickness (T): 3.56mm
+/- 0.05
(3.56mm is 0.14 in.)
- Groove Dia. (Dg): 28.37mm
+ 0.08 / - 0.00
(28.37mm is 1.117 in.)
- Approx. Loose Circlip ID (A): 28.09mm
+ 0.00 / - 0.90
- Radial Wall (S) Approx.: 3.56mm
+/- 0.05
- Groove Width (W): 3.76mm
- Approx. Loose Clip OD: 35.21
- Info: Axial Assembly - Closed Gap
- Section Profile: Square Section
Brand: MBA
Country of Origin: US
Product Compliance and Data
Similar to
- Eaton 300-145
- Arcon XSC-145
- NoCor XSC-145
- A0700-145
- A0700145
- 300145
- XSC145
We offer equivalents to many brands including Anderton, Barden, Berg, Designatronics, EZO, ISC, Koyo, Myonic, NMB, Nordex, NSK, Ondrives, Reid Industrial, RMB, SDP-SI, Seeger, SKF, and more.
Share




Click to open these sections
Collapsible content
PICK UP
Pick up is available from our Coopers Plains warehouse after your order is ready. Please refer to your ready notification email, and bring it with you to collect your parcel.
PDF CATALOGUES
You may freely download the following catalogues to review and compare products. To help you select the most readily available items, rows are colour coded and marked according to the key at the bottom of each page.
Part numbers from these catalogues can be checked in the online store. If they don't appear in the store, please email us for more information about the part.
Bearing Material Selection and Benefits
Bearings - Corrosion Resistant
Bearings - Radial - Master List
CROSS REFERENCES
We provide equivalents to many brands including Berg - Designatronics - Nordex - NSK - Oilite - Ondrives - Reid Industrial - SDP-SI - SKF. The following PDF cross references contain hundreds of thousands of part conversions.
Information, Catalogues, and News
View all-
Free Cross Reference for Flocast Bronze
Download the Flocast Cross Reference *** UPDATE 2025.2 *** OCTOBER 2025 This cross reference covers solid bronze bushes, typically marketed in Australia under the Flocast, Taylor, and Fraser Bronze brands....
Free Cross Reference for Flocast Bronze
Download the Flocast Cross Reference *** UPDATE 2025.2 *** OCTOBER 2025 This cross reference covers solid bronze bushes, typically marketed in Australia under the Flocast, Taylor, and Fraser Bronze brands....
-
Free Cross Reference for Essentra
Download the Essentra Cross Reference *** UPDATE 2025.2 *** OCTOBER 2025 The MBA Part Numbers in this cross-reference are determined to be equivalent or similar to products offered by manufacturers...
Free Cross Reference for Essentra
Download the Essentra Cross Reference *** UPDATE 2025.2 *** OCTOBER 2025 The MBA Part Numbers in this cross-reference are determined to be equivalent or similar to products offered by manufacturers...
-
Free Cross Reference for Seeger Retaining Rings
Download the Seeger Cross Reference *** UPDATE 2025.2 *** OCTOBER 2025 The MBA Part Numbers in this cross reference are determined to be equivalent orsimilar to products offered by Seeger...
Free Cross Reference for Seeger Retaining Rings
Download the Seeger Cross Reference *** UPDATE 2025.2 *** OCTOBER 2025 The MBA Part Numbers in this cross reference are determined to be equivalent orsimilar to products offered by Seeger...
-
Free Cross Reference for Small Parts Inc Engine...
Download the Small Parts Cross-Reference *** UPDATE 2025.2 *** OCTOBER 2025 The MBA Part Numbers in this cross-reference are determined to be equivalent or similar to products offered by Small...
Free Cross Reference for Small Parts Inc Engine...
Download the Small Parts Cross-Reference *** UPDATE 2025.2 *** OCTOBER 2025 The MBA Part Numbers in this cross-reference are determined to be equivalent or similar to products offered by Small...