NT064C-THC-BR (111 Pcs)
Thumb Nuts - 1/4-20 UNC - 6.35mm - 9.5x3.97 mm Collared - Brass Nut
MBA
Store: Minibearings - Miniature Bearings Australia - Online, Pick-Up, Retail, Distributors, WholesaleThumb Screws and Nuts PDF Quick Guide
Pan Head Screws
Screws
Order 50 or more for $572.27 AUD
Base Category: Nuts - Thumb
Top Level Category: Nuts - Thumb - Collared - Brass
Product Details
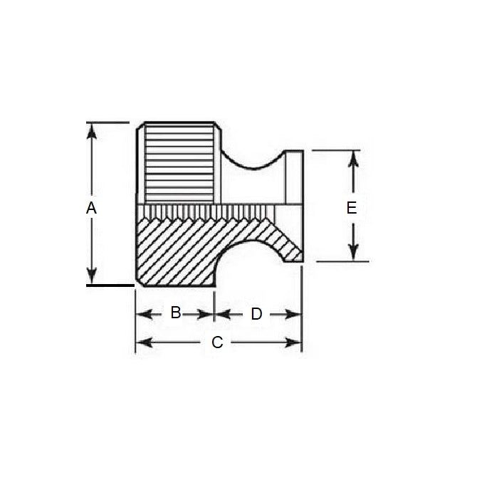
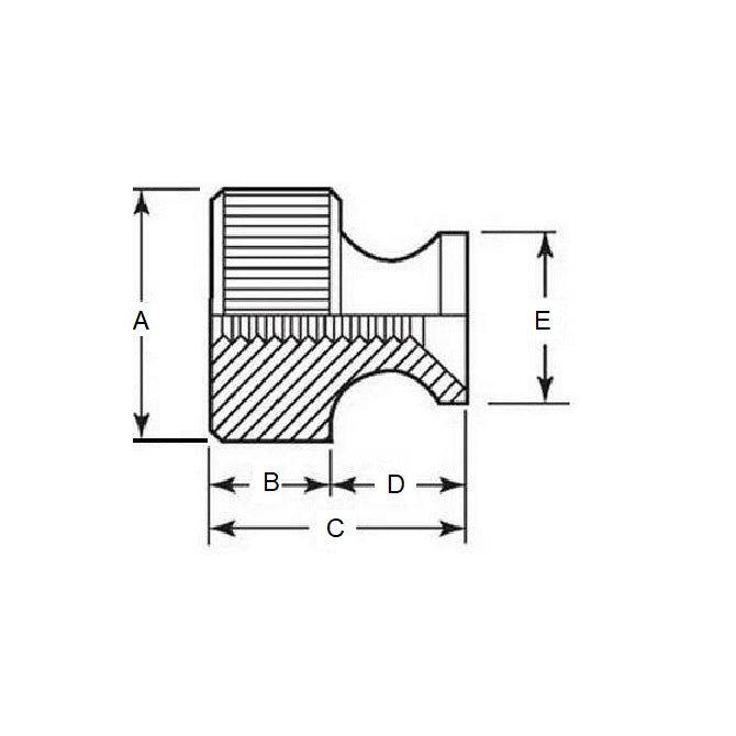
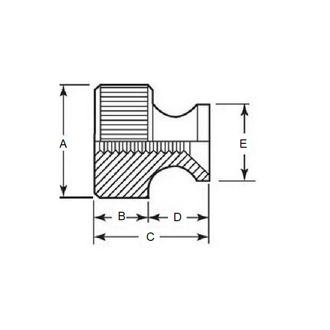
Thread Size: 1/4-20 UNC (6.35mm)Brass
- Thread Size: 1/4-20 UNC (6.35mm)
- Overall Length (C): 9.5mm
(9.5mm is 0.374 in.)
- Head Width (B): 3.97mm
(3.97mm is 0.156 in.)
- Head Diameter (A): 14.29mm
- Collar Diameter (E): 11.91mm
- Collar Height (D): 5.56mm
Brand: MBA
Country of Origin: US
Product Compliance and Data
Similar to
- ALTPART
- 92741A160
- AJ-721
- AJ721
We offer equivalents to many brands including Anderton, Barden, Berg, Designatronics, EZO, ISC, Koyo, Myonic, NMB, Nordex, NSK, Ondrives, Reid Industrial, RMB, SDP-SI, Seeger, SKF, and more.
Share




Click to open these sections
Collapsible content
PICK UP
Pick up is available from our Coopers Plains warehouse after your order is ready. Please refer to your ready notification email, and bring it with you to collect your parcel.
PDF CATALOGUES
You may freely download the following catalogues to review and compare products. To help you select the most readily available items, rows are colour coded and marked according to the key at the bottom of each page.
Part numbers from these catalogues can be checked in the online store. If they don't appear in the store, please email us for more information about the part.
Bearing Material Selection and Benefits
Bearings - Corrosion Resistant
Bearings - Radial - Master List
CROSS REFERENCES
We provide equivalents to many brands including Berg - Designatronics - Nordex - NSK - Oilite - Ondrives - Reid Industrial - SDP-SI - SKF. The following PDF cross references contain hundreds of thousands of part conversions.
Information, Catalogues, and News
View all-
Free Cross Reference for Barden Bearings
Download the Barden Bearings to MBA Cross Reference *** Version 2025.2 *** October 2025 This cross reference PDF contains a list of Barden Part Numbers with their alternative MBA part...
Free Cross Reference for Barden Bearings
Download the Barden Bearings to MBA Cross Reference *** Version 2025.2 *** October 2025 This cross reference PDF contains a list of Barden Part Numbers with their alternative MBA part...
-
Free Hammer Drive Pins Catalogue
Download the MBA Hammer Drive Pins Catalogue *** Version 2025.2 *** September 2025 Hammer drive pins are a self-coloured cold-formed pin made from low carbon steel or 304 grade stainless-steel....
Free Hammer Drive Pins Catalogue
Download the MBA Hammer Drive Pins Catalogue *** Version 2025.2 *** September 2025 Hammer drive pins are a self-coloured cold-formed pin made from low carbon steel or 304 grade stainless-steel....
-
Free Poly-vee Belts and Pulleys Catalogue
Download the Poly-vee Belts and Pulleys Catalogue *** Version 2025.2 *** September 2025 MBA Have a small selection of Poly-Vee belts and pulleys in J Section only. Belt widths listed...
Free Poly-vee Belts and Pulleys Catalogue
Download the Poly-vee Belts and Pulleys Catalogue *** Version 2025.2 *** September 2025 MBA Have a small selection of Poly-Vee belts and pulleys in J Section only. Belt widths listed...
-
Free Shim, Foil & Sheet Catalogue
Download the Shim & Sheet Catalogue *** 2025.3 Update *** September 2025 The MBA Shim Sheet Catalogue includes shim, sheet and foil sizes from 0.005mm (0.0002 inches), all the way...
Free Shim, Foil & Sheet Catalogue
Download the Shim & Sheet Catalogue *** 2025.3 Update *** September 2025 The MBA Shim Sheet Catalogue includes shim, sheet and foil sizes from 0.005mm (0.0002 inches), all the way...