BF0500-0550-0500-PJ (10 Pcs)
Flanged Bushes - 50x55x50 mm Plastic - Iglidur J Bush
Iglidur
Store: Minibearings - Miniature Bearings Australia - Online, Pick-Up, Retail, Distributors, WholesaleBushes PDF Catalogue
Plastic Unflanged Bushes
Order 50 or more for $524.17 AUD
Base Category: Bushes - Flanged
Top Level Category: Bushes - Flanged - Plastic - Iglidur J
Product Details
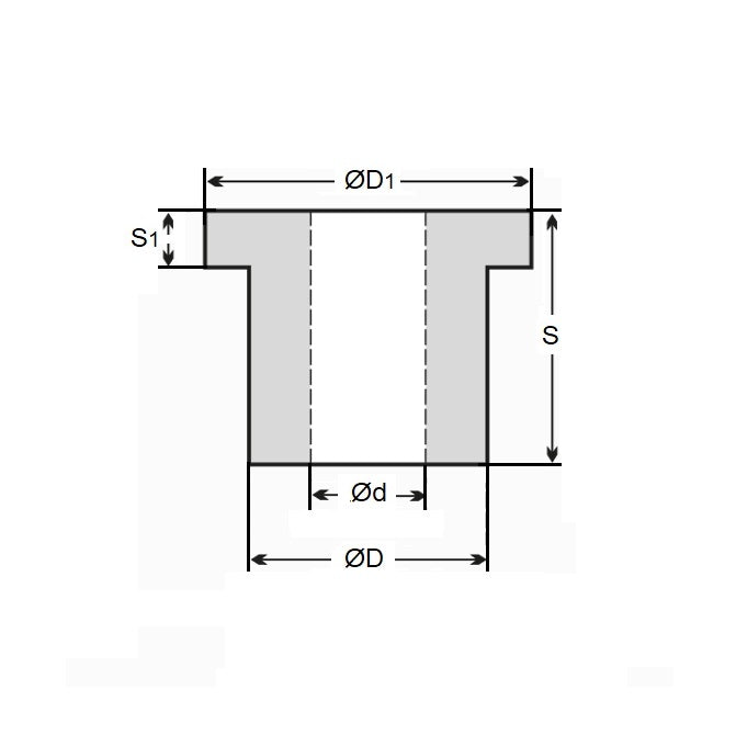
Nominal Inside Diameter (d): 50.000mm+ 0.050 / + 0.150
(50.000mm is 1.969 in.)
Iglidur J
- Nominal Inside Diameter (d): 50.000mm 
 + 0.050 / + 0.150
 (50.000mm is 1.969 in.)
 
- Nominal Outside Diameter (D): 55.000mm 
 (55.000mm is 2.165 in.)
 
- Length (s): 50.000mm 
 + 0.000 / - 0.390
 (50.000mm is 1.969 in.)
 
- Flange OD (D1): 63.00mm
- Flange Thickness (s1): 2.00mm
Brand: Iglidur
Country of Origin: DE
Product Compliance and Data
Similar to
- Igus JFM-5055-50
- JFM505550
We offer equivalents to many brands including Anderton, Barden, Berg, Designatronics, EZO, ISC, Koyo, Myonic, NMB, Nordex, NSK, Ondrives, Reid Industrial, RMB, SDP-SI, Seeger, SKF, and more.
Share
 
 

Click to open these sections
Collapsible content
                    
                    
                      PICK UP
                    
                  Pick up is available from our Coopers Plains warehouse after your order is ready. Please refer to your ready notification email, and bring it with you to collect your parcel.
                    
                    
                      PDF CATALOGUES
                    
                  You may freely download the following catalogues to review and compare products. To help you select the most readily available items, rows are colour coded and marked according to the key at the bottom of each page.
Part numbers from these catalogues can be checked in the online store. If they don't appear in the store, please email us for more information about the part.
Bearing Material Selection and Benefits
Bearings - Corrosion Resistant
Bearings - Radial - Master List
                    
                    
                      CROSS REFERENCES
                    
                  We provide equivalents to many brands including Berg - Designatronics - Nordex - NSK - Oilite - Ondrives - Reid Industrial - SDP-SI - SKF. The following PDF cross references contain hundreds of thousands of part conversions.
Information, Catalogues, and News
View all- 
              
  Free Cross Reference for Reid Tool Engineering ...Download the Reid Tool Engineering Parts Cross Reference *** UPDATE 2025.2 *** OCTOBER 2025 The MBA Part Numbers in this cross-reference are determined to be equivalent or similar to products... Free Cross Reference for Reid Tool Engineering ...Download the Reid Tool Engineering Parts Cross Reference *** UPDATE 2025.2 *** OCTOBER 2025 The MBA Part Numbers in this cross-reference are determined to be equivalent or similar to products... 
- 
              
  Free Cross Reference for Nordex Engineering PartsDownload the Nordex Cross Reference *** UPDATE 2025.2 *** OCTOBER 2025 The MBA Part Numbers in this cross-reference are determined to be equivalent or similar to products offered by Nordex... Free Cross Reference for Nordex Engineering PartsDownload the Nordex Cross Reference *** UPDATE 2025.2 *** OCTOBER 2025 The MBA Part Numbers in this cross-reference are determined to be equivalent or similar to products offered by Nordex... 
- 
              
  Free Cross Reference for Ondrives Engineering P...Download the Ondrives Cross Reference *** UPDATE 2025.2 *** OCTOBER 2025 The MBA Part Numbers in this cross-reference are determined to be equivalent or similar to products offered by Ondrives... Free Cross Reference for Ondrives Engineering P...Download the Ondrives Cross Reference *** UPDATE 2025.2 *** OCTOBER 2025 The MBA Part Numbers in this cross-reference are determined to be equivalent or similar to products offered by Ondrives... 
- 
              
  Free Cross Reference for Miscellaneous Brand En...Download the Miscellaneous Engineering Parts Cross Reference *** UPDATE 2025.5 *** OCTOBER 2025 The MBA Part Numbers in this cross-reference are determined to be equivalent or similar to products offered... Free Cross Reference for Miscellaneous Brand En...Download the Miscellaneous Engineering Parts Cross Reference *** UPDATE 2025.5 *** OCTOBER 2025 The MBA Part Numbers in this cross-reference are determined to be equivalent or similar to products offered... 
 
               
        
       
     
     
     
              
             
              
             
              
            