BCHK-00635-S440
Checking Balls - 6.35x3.167x14.224 mm - Stainless Steel Ball
MBA
Store: Minibearings - Miniature Bearings Australia - Online, Pick-Up, Retail, Distributors, Wholesale Additional resources:Balls Master Catalogue PDF
Order 50 or more for $103.21 AUD
Base Category: Balls - Checking
Top Level Category: Balls - Checking - Stainless Steel - Standard
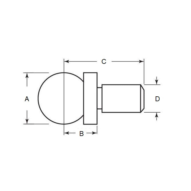
Product Details
Diameter (A): 6.350mm+/- 0.0051
(6.350mm is 0.25 in.)
Stainless Steel
- Diameter (A): 6.350mm
+/- 0.0051
(6.350mm is 0.25 in.)
- Shank Diameter (D): 3.167mm
+/- 0.0051
(3.167mm is 0.125 in.)
- Base to Centre (B): 14.224mm
+/- 0.1270
(14.224mm is 0.56 in.)
- Shoulder to Centre (C): 5.080mm
+/- 0.0051
Brand: MBA
Country of Origin: US
Product Compliance and Data
Similar to
- JFB-29011
- JFB29011
We offer equivalents to many brands including Anderton, Barden, Berg, Designatronics, EZO, ISC, Koyo, Myonic, NMB, Nordex, NSK, Ondrives, Reid Industrial, RMB, SDP-SI, Seeger, SKF, and more.
Share




Click to open these sections
Collapsible content
PICK UP
Pick up is available from our Coopers Plains warehouse after your order is ready. Please refer to your ready notification email, and bring it with you to collect your parcel.
PDF CATALOGUES
You may freely download the following catalogues to review and compare products. To help you select the most readily available items, rows are colour coded and marked according to the key at the bottom of each page.
Part numbers from these catalogues can be checked in the online store. If they don't appear in the store, please email us for more information about the part.
Bearing Material Selection and Benefits
Bearings - Corrosion Resistant
Bearings - Radial - Master List
CROSS REFERENCES
We provide equivalents to many brands including Berg - Designatronics - Nordex - NSK - Oilite - Ondrives - Reid Industrial - SDP-SI - SKF. The following PDF cross references contain hundreds of thousands of part conversions.
Information, Catalogues, and News
View all-
Free Cross Reference for K&S Metals Tubing, Rod...
Download the MBA K&S Metals Cross-Reference *** Version 2025.2 *** October 2025 The MBA Part Numbers in this cross-reference are determined to be equivalent or similar to products offered by...
Free Cross Reference for K&S Metals Tubing, Rod...
Download the MBA K&S Metals Cross-Reference *** Version 2025.2 *** October 2025 The MBA Part Numbers in this cross-reference are determined to be equivalent or similar to products offered by...
-
Free Cross Reference for Barden Bearings
Download the Barden Bearings to MBA Cross Reference *** Version 2025.2 *** October 2025 This cross reference PDF contains a list of Barden Part Numbers with their alternative MBA part...
Free Cross Reference for Barden Bearings
Download the Barden Bearings to MBA Cross Reference *** Version 2025.2 *** October 2025 This cross reference PDF contains a list of Barden Part Numbers with their alternative MBA part...
-
Free Hammer Drive Pins Catalogue
Download the MBA Hammer Drive Pins Catalogue *** Version 2025.2 *** September 2025 Hammer drive pins are a self-coloured cold-formed pin made from low carbon steel or 304 grade stainless-steel....
Free Hammer Drive Pins Catalogue
Download the MBA Hammer Drive Pins Catalogue *** Version 2025.2 *** September 2025 Hammer drive pins are a self-coloured cold-formed pin made from low carbon steel or 304 grade stainless-steel....
-
Free Poly-vee Belts and Pulleys Catalogue
Download the Poly-vee Belts and Pulleys Catalogue *** Version 2025.2 *** September 2025 MBA Have a small selection of Poly-Vee belts and pulleys in J Section only. Belt widths listed...
Free Poly-vee Belts and Pulleys Catalogue
Download the Poly-vee Belts and Pulleys Catalogue *** Version 2025.2 *** September 2025 MBA Have a small selection of Poly-Vee belts and pulleys in J Section only. Belt widths listed...