SR144A-D107-CSN-ZS (20 Pcs)
Dental Applications Bearings - 3.175 6.350 / 5.979 2.779 mm - Stainless Steel AISI 440C - Ceramic Si3N4 Balls - Dental Special Bearing
MPB
Store: Minibearings - Miniature Bearings Australia - Online, Pick-Up, Retail, Distributors, WholesaleAftermarket Dental Handpiece Parts
Dental replacement Parts
Order 50 or more for $746.55 AUD
Base Category: Bearings - Dental Applications
Top Level Category: Bearings - Dental Applications
Product Details
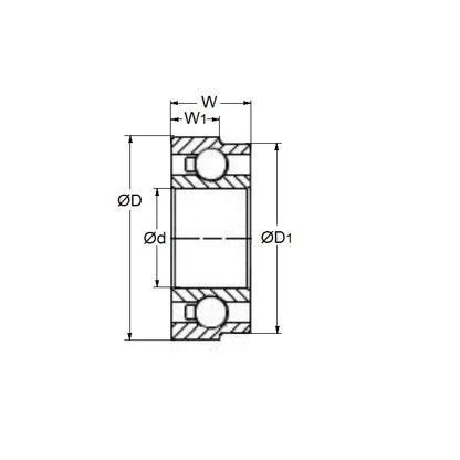
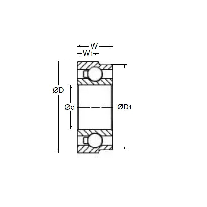
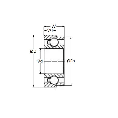
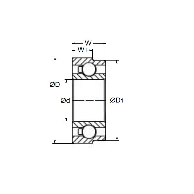
Stepped OD angular contact with ceramic balls for precision dental handpieces
ID (d): 3.175mm
+ 0.000 / - 0.004
(3.175mm is 0.125 in.)
Stainless Steel AISI 440C - Ceramic Si3N4 Balls - Dental Special
- ID (d): 3.175mm
+ 0.000 / - 0.004
(3.175mm is 0.125 in.)
- OD (D): 6.350 / 5.979mm
+ 0.000 / - 0.005
(6.350 / 5.979mm is 0.25 in.)
- Width (B): 2.779mm
+ 0.000 / - 0.040
(2.779mm is 0.109 in.)
- Precision Grade: Abec 7
- Closure Type: ZS
- Bearing Type: D107 Dental Special
Brand: MPB
Country of Origin: DE
Product Compliance and Data
Similar to
- KaVo 220-0793
- KaVo 220-0793K
- KaVo 220NK0793K
- MPB 9A0040-822
- MPB 9A0070-812
- MPB 9A0070-822
- MPB 9A0070-822A
- NHBB SSMDRI-418ZW05SD510M4A7P24LY60
- 9A0040822
- 9A0070812
- 9A0070822A
- SSMDRI418ZW05SD510M4A7P24LY60
- 2200793K
We offer equivalents to many brands including Anderton, Barden, Berg, Designatronics, EZO, ISC, Koyo, Myonic, NMB, Nordex, NSK, Ondrives, Reid Industrial, RMB, SDP-SI, Seeger, SKF, and more.
Share




Click to open these sections
Collapsible content
PICK UP
Pick up is available from our Coopers Plains warehouse after your order is ready. Please refer to your ready notification email, and bring it with you to collect your parcel.
PDF CATALOGUES
You may freely download the following catalogues to review and compare products. To help you select the most readily available items, rows are colour coded and marked according to the key at the bottom of each page.
Part numbers from these catalogues can be checked in the online store. If they don't appear in the store, please email us for more information about the part.
Bearing Material Selection and Benefits
Bearings - Corrosion Resistant
Bearings - Radial - Master List
CROSS REFERENCES
We provide equivalents to many brands including Berg - Designatronics - Nordex - NSK - Oilite - Ondrives - Reid Industrial - SDP-SI - SKF. The following PDF cross references contain hundreds of thousands of part conversions.
Information, Catalogues, and News
View all-
Free Cross Reference for NSK, NTN & ISO Ball Be...
Download the MBA Cross Reference for NSK, NTN & ISO Bearings *** 2025.2 Update *** October 2025 The MBA Part Numbers in this cross reference are determined to be equivalent...
Free Cross Reference for NSK, NTN & ISO Ball Be...
Download the MBA Cross Reference for NSK, NTN & ISO Bearings *** 2025.2 Update *** October 2025 The MBA Part Numbers in this cross reference are determined to be equivalent...
-
Free Cross Reference for Misumi Engineering Parts
Download the Misumi Cross Reference *** 2025.2 Update *** October 2025 The MBA Part Numbers in this cross-reference are determined to be equivalent or similar to products offered by Misumi...
Free Cross Reference for Misumi Engineering Parts
Download the Misumi Cross Reference *** 2025.2 Update *** October 2025 The MBA Part Numbers in this cross-reference are determined to be equivalent or similar to products offered by Misumi...
-
Free Cross Reference for K&S Metals Tubing, Rod...
Download the MBA K&S Metals Cross-Reference *** Version 2025.2 *** October 2025 The MBA Part Numbers in this cross-reference are determined to be equivalent or similar to products offered by...
Free Cross Reference for K&S Metals Tubing, Rod...
Download the MBA K&S Metals Cross-Reference *** Version 2025.2 *** October 2025 The MBA Part Numbers in this cross-reference are determined to be equivalent or similar to products offered by...
-
Free Cross Reference for Barden Bearings
Download the Barden Bearings to MBA Cross Reference *** Version 2025.2 *** October 2025 This cross reference PDF contains a list of Barden Part Numbers with their alternative MBA part...
Free Cross Reference for Barden Bearings
Download the Barden Bearings to MBA Cross Reference *** Version 2025.2 *** October 2025 This cross reference PDF contains a list of Barden Part Numbers with their alternative MBA part...