CF10-1UUR
Roller Cam Followers - 26x36.2 mm - M10x1.25 Standard - Carbon Steel Cam Follower
MBA
Store: Minibearings - Miniature Bearings Australia - Online, Pick-Up, Retail, Distributors, WholesaleOrder 50 or more for $50.53 AUD
Base Category: Cam Followers - Roller
Top Level Category: Cam Followers - Roller - Standard
Product Details
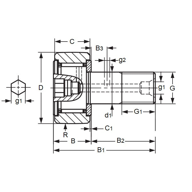
Diameter (D): 26.00mm(26.00mm is 1.024 in.)
Carbon Steel
- Diameter (D): 26.00mm
(26.00mm is 1.024 in.)
- Overall Length (B1): 36.20mm
(36.20mm is 1.425 in.)
- Thread Type: M10x1.25
- Thread Length (G1): 12.00mm
- Roller Width (C): 12.00mm
- Roller Type: Crowned
- Basic Static Load Rating (Cow): 6864N
- Max. Allowable Load: 6864N
- Stud Length (B2): 23.0mm
Brand: MBA
Country of Origin: JP
Product Compliance and Data
Similar to
- Nachi CF-10-1UUR
- CF101UUR
We offer equivalents to many brands including Anderton, Barden, Berg, Designatronics, EZO, ISC, Koyo, Myonic, NMB, Nordex, NSK, Ondrives, Reid Industrial, RMB, SDP-SI, Seeger, SKF, and more.
Share




Click to open these sections
Collapsible content
PICK UP
Pick up is available from our Coopers Plains warehouse after your order is ready. Please refer to your ready notification email, and bring it with you to collect your parcel.
PDF CATALOGUES
You may freely download the following catalogues to review and compare products. To help you select the most readily available items, rows are colour coded and marked according to the key at the bottom of each page.
Part numbers from these catalogues can be checked in the online store. If they don't appear in the store, please email us for more information about the part.
Bearing Material Selection and Benefits
Bearings - Corrosion Resistant
Bearings - Radial - Master List
CROSS REFERENCES
We provide equivalents to many brands including Berg - Designatronics - Nordex - NSK - Oilite - Ondrives - Reid Industrial - SDP-SI - SKF. The following PDF cross references contain hundreds of thousands of part conversions.
Information, Catalogues, and News
View all-
Free Cross Reference for NSK, NTN & ISO Ball Be...
Download the MBA Cross Reference for NSK, NTN & ISO Bearings *** 2025.2 Update *** October 2025 The MBA Part Numbers in this cross reference are determined to be equivalent...
Free Cross Reference for NSK, NTN & ISO Ball Be...
Download the MBA Cross Reference for NSK, NTN & ISO Bearings *** 2025.2 Update *** October 2025 The MBA Part Numbers in this cross reference are determined to be equivalent...
-
Free Cross Reference for Misumi Engineering Parts
Download the Misumi Cross Reference *** 2025.2 Update *** October 2025 The MBA Part Numbers in this cross-reference are determined to be equivalent or similar to products offered by Misumi...
Free Cross Reference for Misumi Engineering Parts
Download the Misumi Cross Reference *** 2025.2 Update *** October 2025 The MBA Part Numbers in this cross-reference are determined to be equivalent or similar to products offered by Misumi...
-
Free Cross Reference for K&S Metals Tubing, Rod...
Download the MBA K&S Metals Cross-Reference *** Version 2025.2 *** October 2025 The MBA Part Numbers in this cross-reference are determined to be equivalent or similar to products offered by...
Free Cross Reference for K&S Metals Tubing, Rod...
Download the MBA K&S Metals Cross-Reference *** Version 2025.2 *** October 2025 The MBA Part Numbers in this cross-reference are determined to be equivalent or similar to products offered by...
-
Free Cross Reference for Barden Bearings
Download the Barden Bearings to MBA Cross Reference *** Version 2025.2 *** October 2025 This cross reference PDF contains a list of Barden Part Numbers with their alternative MBA part...
Free Cross Reference for Barden Bearings
Download the Barden Bearings to MBA Cross Reference *** Version 2025.2 *** October 2025 This cross reference PDF contains a list of Barden Part Numbers with their alternative MBA part...