BLTO-01905-CS-S2
Tooling Balls - 19.05x9.525x31.75 mm Two Piece - Carbon Steel Ball
MBA
Store: Minibearings - Miniature Bearings Australia - Online, Pick-Up, Retail, Distributors, Wholesale Additional resources:Balls Master Catalogue PDF
Order 50 or more for $178.07 AUD
Base Category: Balls - Tooling
Top Level Category: Balls - Tooling - Two Piece - Slip Fit - Shoulder
Product Details
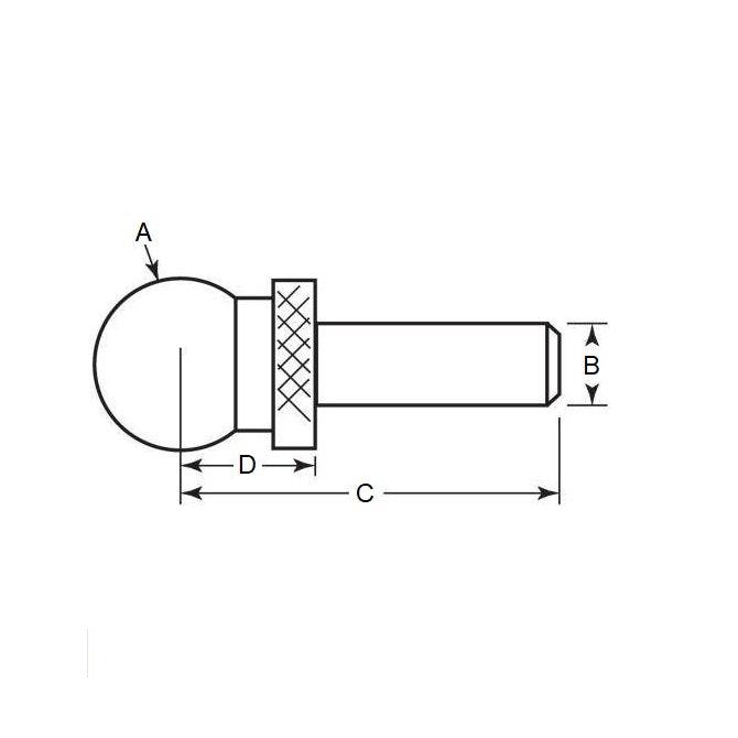
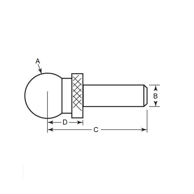
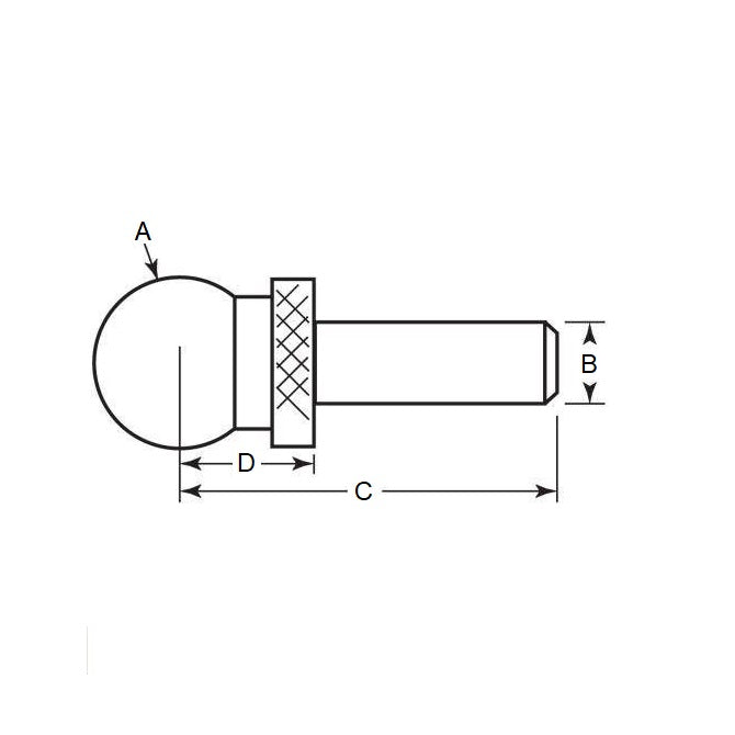
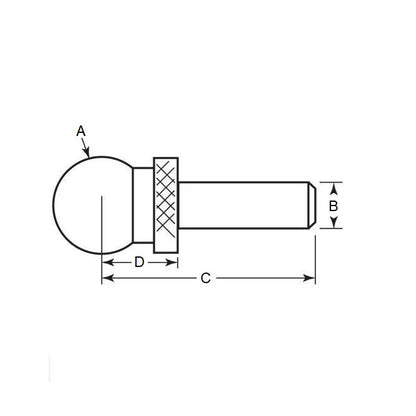
Diameter (A): 19.050mm+/- 0.0051
(19.050mm is 0.75 in.)
Carbon Steel
- Shank Diameter (B): 9.525mm
+ 0.0000 / - 0.0102
(9.525mm is 0.375 in.)
- Base to Centre (C): 31.750mm
(31.750mm is 1.25 in.)
- Shoulder to Centre (D): 12.700mm
Brand: MBA
Country of Origin: DE
Product Compliance and Data
Similar to
- UB831
- UB-831
We offer equivalents to many brands including Anderton, Barden, Berg, Designatronics, EZO, ISC, Koyo, Myonic, NMB, Nordex, NSK, Ondrives, Reid Industrial, RMB, SDP-SI, Seeger, SKF, and more.
Share




Click to open these sections
Collapsible content
PICK UP
Pick up is available from our Coopers Plains warehouse after your order is ready. Please refer to your ready notification email, and bring it with you to collect your parcel.
PDF CATALOGUES
You may freely download the following catalogues to review and compare products. To help you select the most readily available items, rows are colour coded and marked according to the key at the bottom of each page.
Part numbers from these catalogues can be checked in the online store. If they don't appear in the store, please email us for more information about the part.
Bearing Material Selection and Benefits
Bearings - Corrosion Resistant
Bearings - Radial - Master List
CROSS REFERENCES
We provide equivalents to many brands including Berg - Designatronics - Nordex - NSK - Oilite - Ondrives - Reid Industrial - SDP-SI - SKF. The following PDF cross references contain hundreds of thousands of part conversions.
Information, Catalogues, and News
View all-
Free Poly-vee Belts and Pulleys Catalogue
Download the Poly-vee Belts and Pulleys Catalogue *** Version 2025.2 *** September 2025 MBA Have a small selection of Poly-Vee belts and pulleys in J Section only. Belt widths listed...
Free Poly-vee Belts and Pulleys Catalogue
Download the Poly-vee Belts and Pulleys Catalogue *** Version 2025.2 *** September 2025 MBA Have a small selection of Poly-Vee belts and pulleys in J Section only. Belt widths listed...
-
Free Shim, Foil & Sheet Catalogue
Download the Shim & Sheet Catalogue *** 2025.3 Update *** September 2025 The MBA Shim Sheet Catalogue includes shim, sheet and foil sizes from 0.005mm (0.0002 inches), all the way...
Free Shim, Foil & Sheet Catalogue
Download the Shim & Sheet Catalogue *** 2025.3 Update *** September 2025 The MBA Shim Sheet Catalogue includes shim, sheet and foil sizes from 0.005mm (0.0002 inches), all the way...
-
Free Push-In & Push-On Rings Catalogue
Download the Free MBA Push-In & Push-On Rings Catalogue *** 2025.3 Update *** September 2025 For fast & secure, light duty fastening on shafts (external) or in bores (internal). No...
Free Push-In & Push-On Rings Catalogue
Download the Free MBA Push-In & Push-On Rings Catalogue *** 2025.3 Update *** September 2025 For fast & secure, light duty fastening on shafts (external) or in bores (internal). No...
-
Free Cross References for Circlips & Snap Rings
Download the Anderton Circlips & Snap Rings Cross Reference Download the Seeger Circlips & Snap Rings Cross Reference Download the Miscellaneous Brands Cross Reference (Includes some circlips) *** 2025.2 Update...
Free Cross References for Circlips & Snap Rings
Download the Anderton Circlips & Snap Rings Cross Reference Download the Seeger Circlips & Snap Rings Cross Reference Download the Miscellaneous Brands Cross Reference (Includes some circlips) *** 2025.2 Update...