CCF510RS
Needle Roller Cam Followers - 19.05x34.925 mm - 7/16-20 UNF Standard - Steel Cam Follower
MBA
Store: Minibearings - Miniature Bearings Australia - Online, Pick-Up, Retail, Distributors, WholesaleOrder 50 or more for $64.93 AUD
Base Category: Cam Followers - Needle Roller
Top Level Category: Cam Followers - Needle Roller - Standard
Product Details
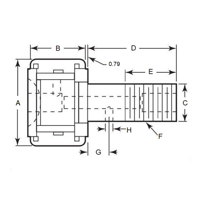
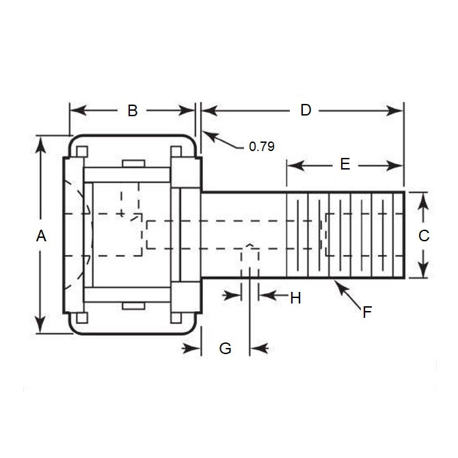
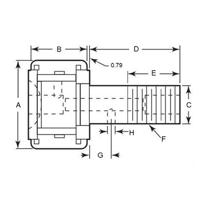
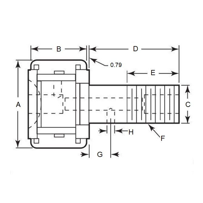
Diameter (A): 19.050mm(19.050mm is 0.75 in.)
Steel
- Diameter (A): 19.050mm
(19.050mm is 0.75 in.)
- Length (B+D): 34.925mm
(34.925mm is 1.375 in.)
- Thread (F): 7/16-20 UNF
- Thread Length (E): 9.525mm
- Roller Width (B): 12.700mm
- Dynamic Load Rating: 753kg
- Static Load Rating: 1873kg
- More Information: Please Contact us for more information
Brand: MBA
Country of Origin: US
Product Compliance and Data
Similar to
- ALTPART
- 1470T15
- CCF510
- CCF-510
We offer equivalents to many brands including Anderton, Barden, Berg, Designatronics, EZO, ISC, Koyo, Myonic, NMB, Nordex, NSK, Ondrives, Reid Industrial, RMB, SDP-SI, Seeger, SKF, and more.
Share




Click to open these sections
Collapsible content
PICK UP
Pick up is available from our Coopers Plains warehouse after your order is ready. Please refer to your ready notification email, and bring it with you to collect your parcel.
PDF CATALOGUES
You may freely download the following catalogues to review and compare products. To help you select the most readily available items, rows are colour coded and marked according to the key at the bottom of each page.
Part numbers from these catalogues can be checked in the online store. If they don't appear in the store, please email us for more information about the part.
Bearing Material Selection and Benefits
Bearings - Corrosion Resistant
Bearings - Radial - Master List
CROSS REFERENCES
We provide equivalents to many brands including Berg - Designatronics - Nordex - NSK - Oilite - Ondrives - Reid Industrial - SDP-SI - SKF. The following PDF cross references contain hundreds of thousands of part conversions.
Information, Catalogues, and News
View all-
Free Standard Bearings Catalogue
Download the MBA Standard Bearing Range Quick Guide Catalogue *** UPDATE 2025.5 *** OCTOBER 2025 The MBA Standard Bearing Catalogue includes sizes from 0.60mm bore (0.024 inches) to 320mm bore...
Free Standard Bearings Catalogue
Download the MBA Standard Bearing Range Quick Guide Catalogue *** UPDATE 2025.5 *** OCTOBER 2025 The MBA Standard Bearing Catalogue includes sizes from 0.60mm bore (0.024 inches) to 320mm bore...
-
Free Cross Reference for ADR & SKF Bearings
Download the SKF / ADR Miniature Bearings Cross reference *** 2025.2 Update *** October 2025 The SKF / ADR to MBA Miniature Bearings Cross Reference lists basic part numbers with...
Free Cross Reference for ADR & SKF Bearings
Download the SKF / ADR Miniature Bearings Cross reference *** 2025.2 Update *** October 2025 The SKF / ADR to MBA Miniature Bearings Cross Reference lists basic part numbers with...
-
Free Socket Set Screws (Grub Screws) Catalogue
Download the MBA Socket Set Screws Catalogue *** 2025.4 Update *** October 2025 The MBA Socket Set Screws Catalogue includes standard cone point, dog point and specialty grub screws in...
Free Socket Set Screws (Grub Screws) Catalogue
Download the MBA Socket Set Screws Catalogue *** 2025.4 Update *** October 2025 The MBA Socket Set Screws Catalogue includes standard cone point, dog point and specialty grub screws in...
-
Free Cross Reference for Timing Belts & Pulleys
Download the MBA Timing Belts & Pulleys Cross Reference *** 2025.2 Update *** October 2025 The MBA Part Numbers in this cross-reference are determined to be equivalent or similar to...
Free Cross Reference for Timing Belts & Pulleys
Download the MBA Timing Belts & Pulleys Cross Reference *** 2025.2 Update *** October 2025 The MBA Part Numbers in this cross-reference are determined to be equivalent or similar to...