RR-425 (PK-2)
Internal Retaining Rings - 107.95x1.55x111.25 mm Spiral Rings - Carbon Spring Steel
MBA
Store: Minibearings - Miniature Bearings Australia - Online, Pick-Up, Retail, Distributors, Wholesale Additional resources:Spiral Rings and Snap Rings PDF
Order 50 or more for $44.47 AUD
Base Category: Retaining Rings - Internal
Top Level Category: Retaining Rings - Internal - Spiral Rings - Medium Duty - Carbon Steel
Product Details
Additional stock available from USA subject to Prior Sale = 24
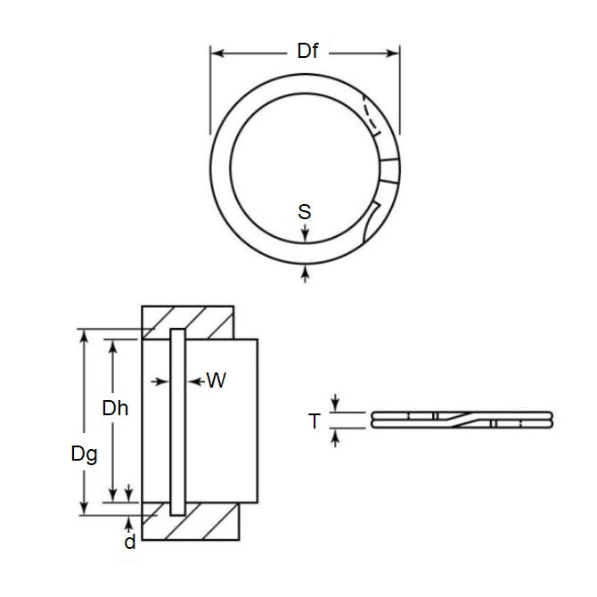
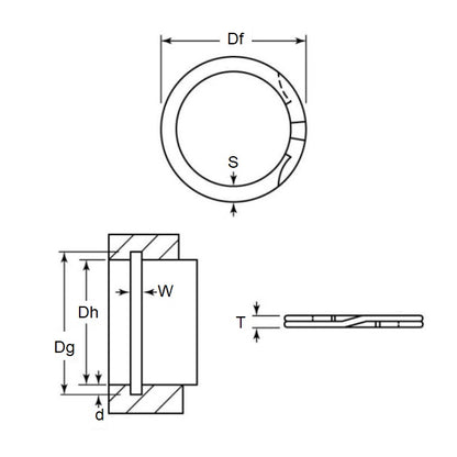
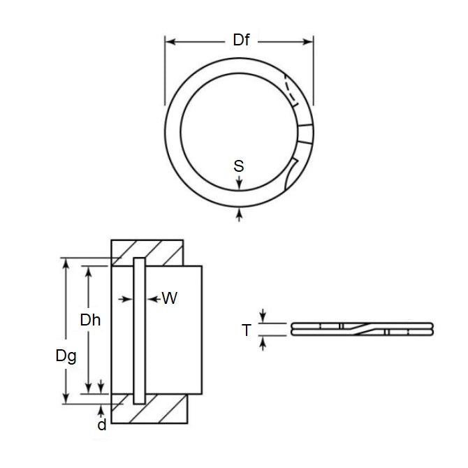
Housing Bore (B): 107.95mm
(107.95mm is 4.25 in.)
Carbon Spring Steel
- Housing Bore (B): 107.95mm
(107.95mm is 4.25 in.)
- Clip Thickness (T): 1.55mm
+/- 0.08
(1.55mm is 0.061 in.)
- Groove Dia. (Dg): 111.25mm
(111.25mm is 4.38 in.)
- Approx. Loose Circlip OD (Dr): 112.70mm
+ 0.89 / - 0.00
- Radial Wall (S) Approx.: 5.79mm
+/- 0.13
- Groove Width (W): 1.79mm
+/- 0.15
- Approx. Loose Clip ID: 101.12
+/- 0.06
- Groove Depth (d): 1.65
Brand: MBA
Country of Origin: US
Product Compliance and Data
Similar to
- Associated Spring AI-425
- Smalley WH-425
- Spirolox WH-425
- AI425
- WH425
We offer equivalents to many brands including Anderton, Barden, Berg, Designatronics, EZO, ISC, Koyo, Myonic, NMB, Nordex, NSK, Ondrives, Reid Industrial, RMB, SDP-SI, Seeger, SKF, and more.
Share

Click to open these sections
Collapsible content
PICK UP
Pick up is available from our Coopers Plains warehouse after your order is ready. Please refer to your ready notification email, and bring it with you to collect your parcel.
PDF CATALOGUES
You may freely download the following catalogues to review and compare products. To help you select the most readily available items, rows are colour coded and marked according to the key at the bottom of each page.
Part numbers from these catalogues can be checked in the online store. If they don't appear in the store, please email us for more information about the part.
Bearing Material Selection and Benefits
Bearings - Corrosion Resistant
Bearings - Radial - Master List
CROSS REFERENCES
We provide equivalents to many brands including Berg - Designatronics - Nordex - NSK - Oilite - Ondrives - Reid Industrial - SDP-SI - SKF. The following PDF cross references contain hundreds of thousands of part conversions.
Information, Catalogues, and News
View all-
Free Wave Washers Catalogue
Download the Wave Spring Washers PDF Catalogue January 2026 Update 2026.1 - Many new sizes available as substitutes for EPL series The MBA Wave Washers catalogue includes 2 (curved), 3...
Free Wave Washers Catalogue
Download the Wave Spring Washers PDF Catalogue January 2026 Update 2026.1 - Many new sizes available as substitutes for EPL series The MBA Wave Washers catalogue includes 2 (curved), 3...
-
Free Springs & Wire Catalogue
Download the MBA Springs Catalogue PDF *** UPDATE 2025.3 *** December 2025 The MBA springs catalogue can be downloaded in PDF format. The catalogue includes imperial and metric springs from...
Free Springs & Wire Catalogue
Download the MBA Springs Catalogue PDF *** UPDATE 2025.3 *** December 2025 The MBA springs catalogue can be downloaded in PDF format. The catalogue includes imperial and metric springs from...
-
Free O-Rings Catalogue
Download the MBA O-Rings Catalogue *** UPDATED RELEASE 2025.3 *** December 2025 The MBA O-Rings catalogue lists all sizes and materials in strict size order, so that alternatives can be...
Free O-Rings Catalogue
Download the MBA O-Rings Catalogue *** UPDATED RELEASE 2025.3 *** December 2025 The MBA O-Rings catalogue lists all sizes and materials in strict size order, so that alternatives can be...
-
Rubber Comparison
Rubber Comparison This guide represents a simplified comparison between Natural Rubber, Nitrile (NBR), and Fluoroelastomer (FKM). The guide can be used as a first step in selection of suitable materials...
Rubber Comparison
Rubber Comparison This guide represents a simplified comparison between Natural Rubber, Nitrile (NBR), and Fluoroelastomer (FKM). The guide can be used as a first step in selection of suitable materials...