
Miniature Bearings Australia
REF-159-L-CT - Datasheet
MBA
Category Information
Rod Ends - Female - Steel - Plain - PTFE Lined - Tight FitTight Fit PTFE Lined Plain Steel Female Rod Ends. Imperial and Metric. Tight fit (Minimal ball clearance) / Carbon Steel. Also known as Heim Joints
- An expanded range may be available on special order. Please enquire.
- Dimensions not shown are available on request.
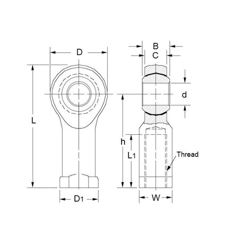
Product Data
- Eye Size (d1)
:
15.875
mm
(Equiv. 0.625 in.) - Overall Length (L)
82.55
mm
(Equiv. 3.25 in.) - Thread Size 5/8-18 UNF Left
- Thread Length (l2) 38.10 mm
- Head Width (W) 14.27 mm
- Eye Width (W1) 19.05 mm
- Head Diameter (D) 38.10 mm
- Centre Height (l1) 63.50 mm
- Body Width/Flange Width(W2/D3) 22.23 / 25.40 mm
- Material Steel with PTFE Lined Raceway
Product Compliance and Data
Additional Resources
Cross References
- 2458K37-LEFT
- KWK TFB10L
- 2458K37LEFT


