
Miniature Bearings Australia
WRE-0100-LS-S1 - Datasheet
MBA
Category Information
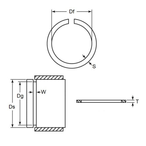
Retaining Rings - External - Snap Rings - Stainless SteelStainless Steel Snap Rings External Retaining Rings. Includes series M3200 / SP / ESP / M2400 / SW snaprings. Similar to a circlip without the lugs.
- An expanded range may be available on special order. Please enquire.
- 301 S11/S22 Stainless Steel.
- Used on the outside diameter of a bearing, shaft or similar equipment
Product Data
- Shaft or Bearing OD (d1)
:
10.0
mm
(Equiv. 0.394 in.) - Clip Thickness (T)
0.50
mm
+/- 0.02
(Equiv. 0.02 in.) - Groove Dia. (Dg)
9.50
mm
+ 0 / - 0.05
(Equiv. 0.374 in.) - Approx. Loose Circlip ID (A) 9.25 mm
- Radial Wall (S) Approx. 0.90 mm + 0 / - 0.10
- Groove Width (W) 0.55 mm
- Approx. Loose Clip OD 11.05
- Section Profile Rectangular with Square Edge
- Material Stainless Steel 301 S11/S22
Product Compliance and Data
Additional Resources
Cross References
- WRE0100SQS1
- WSR10


