
Miniature Bearings Australia
WRE-0826-LS - Datasheet
MBA
Category Information
Retaining Rings - External - Snap Rings - Carbon SteelCarbon Steel Snap Rings External Retaining Rings. Includes series M3200 / SP / ESP / M2400 / SW snaprings. Similar to a circlip without the lugs.
- An expanded range may be available on special order. Please enquire.
- Carbon sping steel
- Used on the outside diameter of a bearing, shaft or similar equipment
Product Data
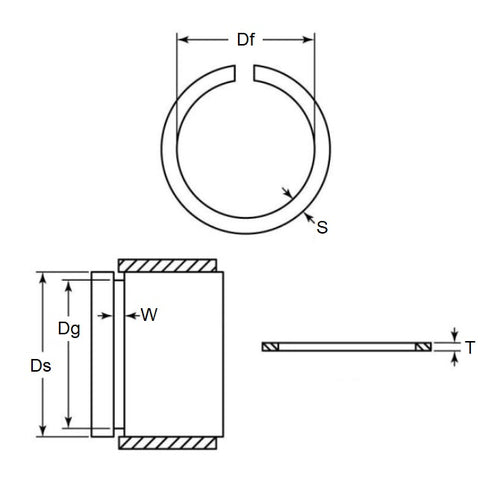
- Shaft or Bearing OD (d1)
:
82.55
mm
(Equiv. 3.25 in.) - Clip Thickness (T)
2.36
mm
+/- 0.05
(Equiv. 0.093 in.) - Groove Dia. (Dg)
78.74
mm
+/- 0.15
(Equiv. 3.1 in.) - Approx. Loose Circlip ID (A) 77.98 mm + 0.00 / - 1.58
- Radial Wall (S) Approx. 6.35 mm +/- 0.13
- Groove Width (W) 2.62 mm
- Approx. Loose Clip OD 90.68
- Info Basic
- Section Profile Rectangular with Square Edge
- Material Carbon Spring Steel
Product Compliance and Data
Additional Resources
Cross References
- NoCor USC-325
- Rotorclip USC-325
- Eaton XAN-325
- USC325
- WRE0826SR
- XAN325



