
Miniature Bearings Australia
WRE-0730-LS - Datasheet
MBA
Category Information
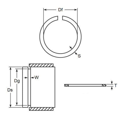
Retaining Rings - External - Snap Rings - Carbon SteelCarbon Steel Snap Rings External Retaining Rings. Includes series M3200 / SP / ESP / M2400 / SW snaprings. Similar to a circlip without the lugs.
- An expanded range may be available on special order. Please enquire.
- Carbon sping steel
- Used on the outside diameter of a bearing, shaft or similar equipment
Product Data
- Shaft or Bearing OD (d1)
:
73.00
mm
(Equiv. 2.874 in.) - Clip Thickness (T)
2.00
mm
+ 0 / - 0.10
(Equiv. 0.079 in.) - Groove Dia. (Dg)
71.20
mm
+ 0 / - 0.19
(Equiv. 2.803 in.) - Approx. Loose Circlip ID (A) 70.40 mm
- Radial Wall (S) Approx. 2.80 mm + 0 / - 0.10
- Groove Width (W) 2.20 mm
- Approx. Loose Clip OD 76
- Section Profile Rectangular with Square Edge
- Material Carbon Spring Steel
Product Compliance and Data
Additional Resources
Cross References
- NoCor DSW-073
- DSW073
- WRE0730SQ
- M2400-0730APP
- M24000730APP



