
Miniature Bearings Australia
WRE-0699-LS - Datasheet
MBA
Category Information
Retaining Rings - External - Snap Rings - Carbon SteelCarbon Steel Snap Rings External Retaining Rings. Includes series M3200 / SP / ESP / M2400 / SW snaprings. Similar to a circlip without the lugs.
- An expanded range may be available on special order. Please enquire.
- Carbon sping steel
- Used on the outside diameter of a bearing, shaft or similar equipment
Product Data
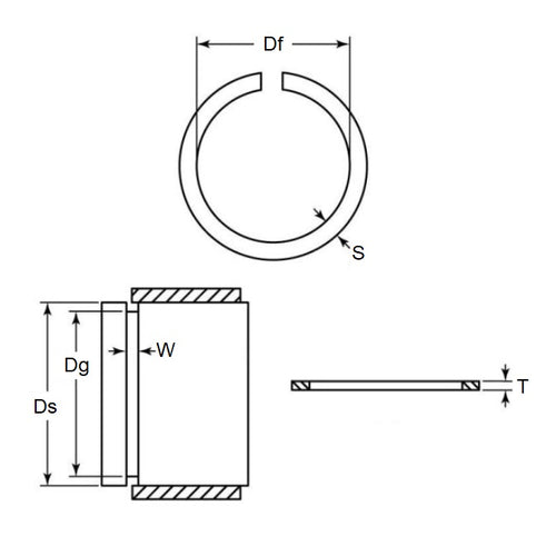
- Shaft or Bearing OD (d1)
:
69.85
mm
(Equiv. 2.75 in.) - Clip Thickness (T)
2.36
mm
+/- 0.05
(Equiv. 0.093 in.) - Groove Dia. (Dg)
66.65
mm
+/- 0.15
(Equiv. 2.624 in.) - Approx. Loose Circlip ID (A) 65.89 mm + 0.00 / - 1.58
- Radial Wall (S) Approx. 4.75 mm +/- 0.13
- Groove Width (W) 2.62 mm
- Approx. Loose Clip OD 75.39
- Info Basic
- Section Profile Rectangular with Square Edge
- Material Carbon Spring Steel
Product Compliance and Data
Additional Resources
Cross References
- NoCor USC-275
- Rotorclip USC-275
- Eaton XAN-275
- USC275
- XAN275
- WRE0699SR



