
Miniature Bearings Australia
WRE-0667-LS - Datasheet
MBA
Category Information
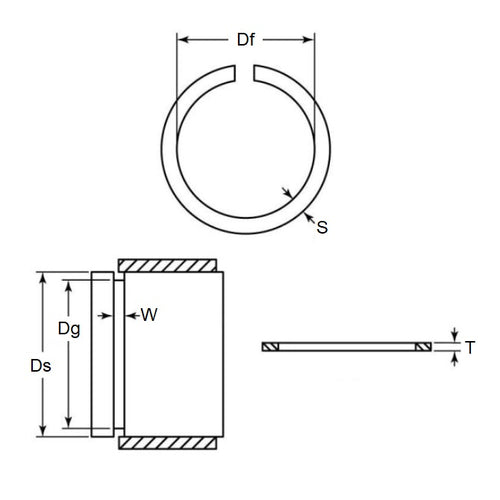
Retaining Rings - External - Snap Rings - Carbon SteelCarbon Steel Snap Rings External Retaining Rings. Includes series M3200 / SP / ESP / M2400 / SW snaprings. Similar to a circlip without the lugs.
- An expanded range may be available on special order. Please enquire.
- Carbon sping steel
- Used on the outside diameter of a bearing, shaft or similar equipment
Product Data
- Shaft or Bearing OD (d1)
:
66.68
mm
(Equiv. 2.625 in.) - Clip Thickness (T)
1.98
mm
+/- 0.05
(Equiv. 0.078 in.) - Groove Dia. (Dg)
63.63
mm
+/- 0.15
(Equiv. 2.505 in.) - Approx. Loose Circlip ID (A) 62.87 mm + 0.00 / - 1.17
- Radial Wall (S) Approx. 4.75 mm +/- 0.13
- Groove Width (W) 2.18 mm
- Approx. Loose Clip OD 72.37
- Info Basic
- Section Profile Rectangular with Square Edge
- Material Carbon Spring Steel
Product Compliance and Data
Additional Resources
Cross References
- NoCor USC-262
- Rotorclip USC-262
- Eaton XAN-262
- USC262
- WRE0667SR
- XAN262



