
Miniature Bearings Australia
WRE-0635-SQ-C - Datasheet
MBA
Category Information
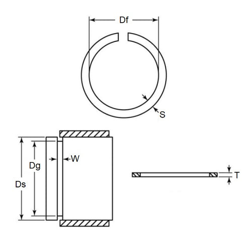
Retaining Rings - External - Snap Rings - Carbon SteelCarbon Steel Snap Rings External Retaining Rings. Includes series M3200 / SP / ESP / M2400 / SW snaprings. Similar to a circlip without the lugs.
- An expanded range may be available on special order. Please enquire.
- Carbon sping steel
- Used on the outside diameter of a bearing, shaft or similar equipment
Product Data
- Shaft or Bearing OD (d1)
:
63.50
mm
(Equiv. 2.5 in.) - Clip Thickness (T)
6.35
mm
+/- 0.08
(Equiv. 0.25 in.) - Groove Dia. (Dg)
60.30
mm
+ 0.10 / - 0.00
(Equiv. 2.374 in.) - Approx. Loose Circlip ID (A) 59.69 mm + 0.00 / - 2.00
- Radial Wall (S) Approx. 6.35 mm +/- 0.08
- Groove Width (W) 6.73 mm
- Approx. Loose Clip OD 72.39
- Info Axial Assembly - Closed Gap
- Section Profile Square Section
- Material Carbon Spring Steel
Product Compliance and Data
Additional Resources
Cross References
- Eaton 300-164
- Arcon XSC-164
- NoCor XSC-164
- 300164
- A0700-164
- A0700164
- XSC164


