
Miniature Bearings Australia
WRE-0048-SQ-O - Datasheet
MBA
Category Information
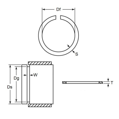
Retaining Rings - External - Snap Rings - Carbon SteelCarbon Steel Snap Rings External Retaining Rings. Includes series M3200 / SP / ESP / M2400 / SW snaprings. Similar to a circlip without the lugs.
- An expanded range may be available on special order. Please enquire.
- Carbon sping steel
- Used on the outside diameter of a bearing, shaft or similar equipment
Product Data
- Shaft or Bearing OD (d1)
:
4.78
mm
(Equiv. 0.188 in.) - Clip Thickness (T)
0.51
mm
+/- 0.05
(Equiv. 0.02 in.) - Groove Dia. (Dg)
4.52
mm
+ 0.08 / - 0.00
(Equiv. 0.178 in.) - Approx. Loose Circlip ID (A) 4.45 mm + 0.00 / - 0.50
- Radial Wall (S) Approx. 0.51 mm +/- 0.05
- Groove Width (W) 0.61 mm
- Approx. Loose Clip OD 5.47
- Info Radial Assembly - Open Gap
- Section Profile Square Section
- Material Carbon Spring Steel
Product Compliance and Data
Additional Resources
Cross References
- Eaton 400-212
- Arcon CSO-212
- NoCor XSO-212
- A0600-212
- A0600212
- CSO212
- XSO212
- 400212



