
Miniature Bearings Australia
WRE-0445-SQ-C - Datasheet
MBA
Category Information
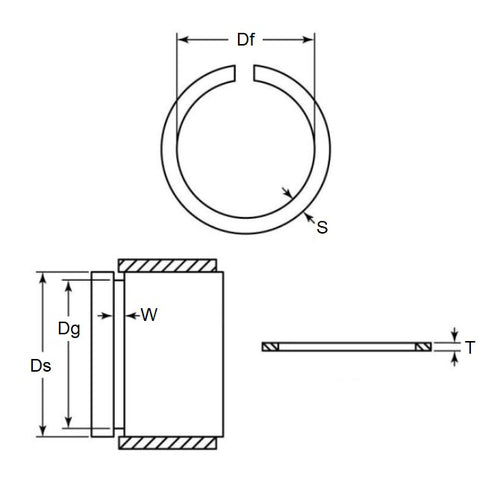
Retaining Rings - External - Snap Rings - Carbon SteelCarbon Steel Snap Rings External Retaining Rings. Includes series M3200 / SP / ESP / M2400 / SW snaprings. Similar to a circlip without the lugs.
- An expanded range may be available on special order. Please enquire.
- Carbon sping steel
- Used on the outside diameter of a bearing, shaft or similar equipment
Product Data
- Shaft or Bearing OD (d1)
:
44.45
mm
(Equiv. 1.75 in.) - Clip Thickness (T)
3.96
mm
+/- 0.08
(Equiv. 0.156 in.) - Groove Dia. (Dg)
42.47
mm
+ 0.08 / - 0.00
(Equiv. 1.672 in.) - Approx. Loose Circlip ID (A) 42.09 mm + 0.00 / - 1.60
- Radial Wall (S) Approx. 3.96 mm +/- 0.08
- Groove Width (W) 4.17 mm
- Approx. Loose Clip OD 50.01
- Info Axial Assembly - Closed Gap
- Section Profile Square Section
- Material Carbon Spring Steel
Product Compliance and Data
Additional Resources
Cross References
- Eaton 300-158
- Arcon XSC-158
- NoCor XSC-158
- XSC158
- 300158
- A0700158
- A0700-158


