
Miniature Bearings Australia
WRE-0381-SQ-C - Datasheet
MBA
Category Information
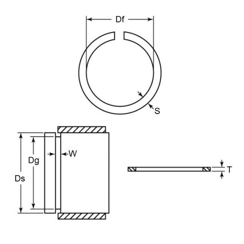
Retaining Rings - External - Snap Rings - Carbon SteelCarbon Steel Snap Rings External Retaining Rings. Includes series M3200 / SP / ESP / M2400 / SW snaprings. Similar to a circlip without the lugs.
- An expanded range may be available on special order. Please enquire.
- Carbon sping steel
- Used on the outside diameter of a bearing, shaft or similar equipment
Product Data
- Shaft or Bearing OD (d1)
:
38.10
mm
(Equiv. 1.5 in.) - Clip Thickness (T)
3.18
mm
+/- 0.08
(Equiv. 0.125 in.) - Groove Dia. (Dg)
36.53
mm
+ 0.08 / - 0.00
(Equiv. 1.438 in.) - Approx. Loose Circlip ID (A) 36.17 mm + 0.00 / - 1.60
- Radial Wall (S) Approx. 3.18 mm +/- 0.08
- Groove Width (W) 3.38 mm
- Approx. Loose Clip OD 42.53
- Info Axial Assembly - Closed Gap
- Section Profile Square Section
- Material Carbon Spring Steel
Product Compliance and Data
Additional Resources
Cross References
- Eaton 300-154
- Arcon XSC-154
- NoCor XSC-154
- XSC154
- 300154
- A0700154
- A0700-154


