
Miniature Bearings Australia
WRE-0365-LS - Datasheet
MBA
Category Information
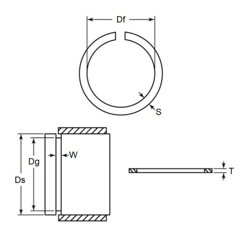
Retaining Rings - External - Snap Rings - Carbon SteelCarbon Steel Snap Rings External Retaining Rings. Includes series M3200 / SP / ESP / M2400 / SW snaprings. Similar to a circlip without the lugs.
- An expanded range may be available on special order. Please enquire.
- Carbon sping steel
- Used on the outside diameter of a bearing, shaft or similar equipment
Product Data
- Shaft or Bearing OD (d1)
:
36.53
mm
(Equiv. 1.438 in.) - Clip Thickness (T)
1.27
mm
+/- 0.05
(Equiv. 0.05 in.) - Groove Dia. (Dg)
34.80
mm
+/- 0.10
(Equiv. 1.37 in.) - Approx. Loose Circlip ID (A) 34.32 mm + 0.00 / - 0.79
- Radial Wall (S) Approx. 2.77 mm +/- 0.08
- Groove Width (W) 1.42 mm
- Approx. Loose Clip OD 39.86
- Info Basic
- Section Profile Rectangular with Square Edge
- Material Carbon Spring Steel
Product Compliance and Data
Additional Resources
Cross References
- NoCor USC-143
- Rotorclip USC-143
- Eaton XAN-143
- USC143
- WRE0365SR
- XAN143



