
Miniature Bearings Australia
WRE-0270-SQ-O - Datasheet
MBA
Category Information
Retaining Rings - External - Snap Rings - Carbon SteelCarbon Steel Snap Rings External Retaining Rings. Includes series M3200 / SP / ESP / M2400 / SW snaprings. Similar to a circlip without the lugs.
- An expanded range may be available on special order. Please enquire.
- Carbon sping steel
- Used on the outside diameter of a bearing, shaft or similar equipment
Product Data
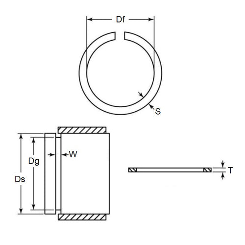
- Shaft or Bearing OD (d1)
:
27.00
mm
(Equiv. 1.063 in.) - Clip Thickness (T)
1.98
mm
+/- 0.05
(Equiv. 0.078 in.) - Groove Dia. (Dg)
25.96
mm
+ 0.08 / - 0.00
(Equiv. 1.022 in.) - Approx. Loose Circlip ID (A) 25.71 mm + 0.00 / - 0.90
- Radial Wall (S) Approx. 1.98 mm +/- 0.05
- Groove Width (W) 2.16 mm
- Approx. Loose Clip OD 29.67
- Info Radial Assembly - Open Gap
- Section Profile Square Section
- Material Carbon Spring Steel
Product Compliance and Data
Additional Resources
Cross References
- Eaton 400-240
- Eaton 400-241
- Arcon CSO-240
- Arcon CSO-241
- NoCor XSO-240
- NoCor XSO-241
- 400240
- 400241
- WRE0270SQHO
- WRE0270SQEO
- XSO240
- XSO241
- CSO240
- CSO241
- A0600240
- A0600-240
- A0600-241
- A0600241


