
Miniature Bearings Australia
WRE-2500-LS - Datasheet
ENQUIRE
Category Information
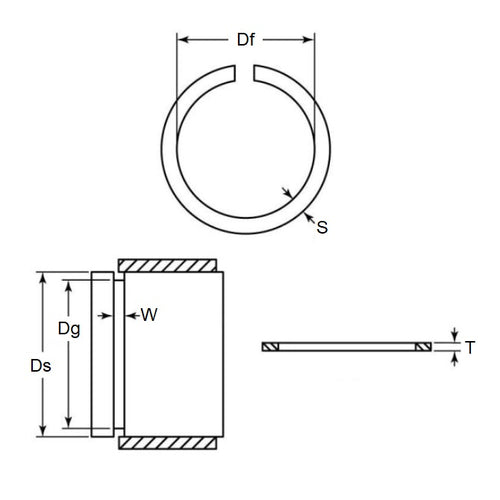
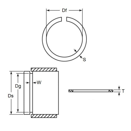
Retaining Rings - External - Snap Rings - Carbon SteelCarbon Steel Snap Rings External Retaining Rings. Includes series M3200 / SP / ESP / M2400 / SW snaprings. Similar to a circlip without the lugs.
- An expanded range may be available on special order. Please enquire.
- Carbon sping steel
- Used on the outside diameter of a bearing, shaft or similar equipment
Product Data
- Shaft or Bearing OD (d1)
:
250.00
mm
(Equiv. 9.843 in.) - Clip Thickness (T)
3.00
mm
+ 0 / - 0.10
(Equiv. 0.118 in.) - Groove Dia. (Dg)
247.00
mm
+ 0 / - 0.32
(Equiv. 9.724 in.) - Approx. Loose Circlip ID (A) 244.50 mm
- Radial Wall (S) Approx. 5.00 mm + 0 / - 0.10
- Groove Width (W) 3.20 mm
- Approx. Loose Clip OD 254.5
- Section Profile Rectangular with Square Edge
- Material Carbon Spring Steel
Product Compliance and Data
Additional Resources
Cross References
- NoCor® DSW-250
- DSW250
- WRE2500SQ


