
Miniature Bearings Australia
WRE-0254-LS-L - Datasheet
MBA
Category Information
Retaining Rings - External - Snap Rings - Carbon SteelCarbon Steel Snap Rings External Retaining Rings. Includes series M3200 / SP / ESP / M2400 / SW snaprings. Similar to a circlip without the lugs.
- An expanded range may be available on special order. Please enquire.
- Carbon sping steel
- Used on the outside diameter of a bearing, shaft or similar equipment
Product Data
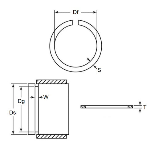
- Shaft or Bearing OD (d1)
:
25.40
mm
(Equiv. 1 in.) - Clip Thickness (T)
1.07
mm
+/- 0.04
(Equiv. 0.042 in.) - Groove Dia. (Dg)
24.31
mm
(Equiv. 0.957 in.) - Approx. Loose Circlip ID (A) 24.26 mm + 0.00 / - 1.21
- Radial Wall (S) Approx. 2.06 mm
- Groove Width (W) 1.17 mm
- Approx. Loose Clip OD 28.38
- Section Profile Rectangular with Square Edge
- Material Carbon Spring Steel
Product Compliance and Data
Additional Resources
Cross References
- Arcon TRC-100
- NoCor TRC-100
- Eaton XD-100
- NoCor XD-100
- A0500-100
- A0500100
- TRC100
- WRE0254SRL
- XD100


