
Miniature Bearings Australia
WRE-0238-LS - Datasheet
MBA
Category Information
Retaining Rings - External - Snap Rings - Carbon SteelCarbon Steel Snap Rings External Retaining Rings. Includes series M3200 / SP / ESP / M2400 / SW snaprings. Similar to a circlip without the lugs.
- An expanded range may be available on special order. Please enquire.
- Carbon sping steel
- Used on the outside diameter of a bearing, shaft or similar equipment
Product Data
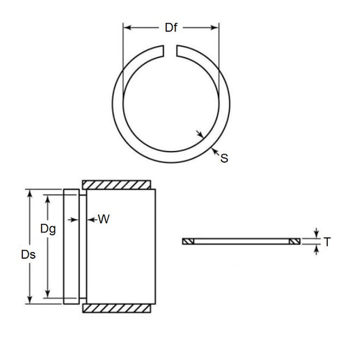
- Shaft or Bearing OD (d1)
:
23.83
mm
(Equiv. 0.938 in.) - Clip Thickness (T)
1.07
mm
+/- 0.05
(Equiv. 0.042 in.) - Groove Dia. (Dg)
22.76
mm
+/- 0.08
(Equiv. 0.896 in.) - Approx. Loose Circlip ID (A) 22.38 mm + 0.00 / - 0.79
- Radial Wall (S) Approx. 1.98 mm +/- 0.08
- Groove Width (W) 1.17 mm
- Approx. Loose Clip OD 26.34
- Info Basic
- Section Profile Rectangular with Square Edge
- Material Carbon Spring Steel
Product Compliance and Data
Additional Resources
Cross References
- NoCor USC-093
- Rotorclip USC-093
- Eaton XAN-093
- USC093
- WRE0238SR
- XAN093



