
Miniature Bearings Australia
WRE-2159-LS - Datasheet
MBA
Category Information
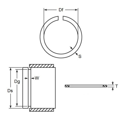
Retaining Rings - External - Snap Rings - Carbon SteelCarbon Steel Snap Rings External Retaining Rings. Includes series M3200 / SP / ESP / M2400 / SW snaprings. Similar to a circlip without the lugs.
- An expanded range may be available on special order. Please enquire.
- Carbon sping steel
- Used on the outside diameter of a bearing, shaft or similar equipment
Product Data
- Shaft or Bearing OD (d1)
:
215.90
mm
(Equiv. 8.5 in.) - Clip Thickness (T)
4.75
mm
+/- 0.05
(Equiv. 0.187 in.) - Groove Dia. (Dg)
207.26
mm
+/- 0.20
(Equiv. 8.16 in.) - Approx. Loose Circlip ID (A) 204.47 mm + 0.00 / - 4.00
- Radial Wall (S) Approx. 12.70 mm +/- 0.13
- Groove Width (W) 5.31 mm
- Approx. Loose Clip OD 229.87
- Info Basic
- Section Profile Rectangular with Square Edge
- Material Carbon Spring Steel
Product Compliance and Data
Additional Resources
Cross References
- NoCor USC-850
- Rotorclip USC-850
- Eaton XAN-850
- USC850
- WRE2159SR
- XAN850



