
Miniature Bearings Australia
WRE-0206-SQ-HC - Datasheet
MBA
Category Information
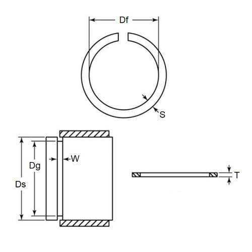
Retaining Rings - External - Snap Rings - Carbon SteelCarbon Steel Snap Rings External Retaining Rings. Includes series M3200 / SP / ESP / M2400 / SW snaprings. Similar to a circlip without the lugs.
- An expanded range may be available on special order. Please enquire.
- Carbon sping steel
- Used on the outside diameter of a bearing, shaft or similar equipment
Product Data
- Shaft or Bearing OD (d1)
:
20.63
mm
(Equiv. 0.812 in.) - Clip Thickness (T)
2.36
mm
+/- 0.05
(Equiv. 0.093 in.) - Groove Dia. (Dg)
19.46
mm
+ 0.08 / - 0.00
(Equiv. 0.766 in.) - Approx. Loose Circlip ID (A) 19.28 mm + 0.00 / - 0.90
- Radial Wall (S) Approx. 2.36 mm +/- 0.05
- Groove Width (W) 2.54 mm
- Approx. Loose Clip OD 24
- Info Axial Assembly - Closed Gap
- Section Profile Square Section
- Material Carbon Spring Steel
Product Compliance and Data
Additional Resources
Cross References
- Eaton 300-133
- Arcon XSC-133
- NoCor XSC-133
- XSC133
- 300133
- A0700133
- A0700-133


