
Miniature Bearings Australia
WRE-2032-LS - Datasheet
MBA
Category Information
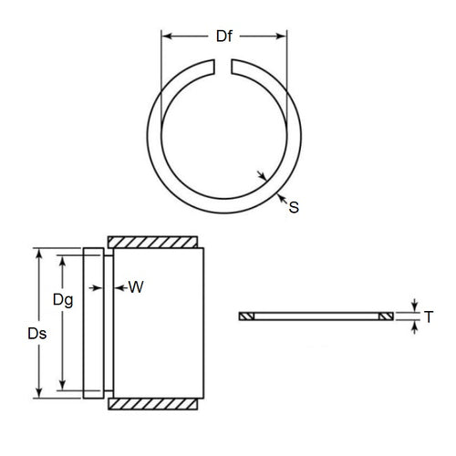
Retaining Rings - External - Snap Rings - Carbon SteelCarbon Steel Snap Rings External Retaining Rings. Includes series M3200 / SP / ESP / M2400 / SW snaprings. Similar to a circlip without the lugs.
- An expanded range may be available on special order. Please enquire.
- Carbon sping steel
- Used on the outside diameter of a bearing, shaft or similar equipment
Product Data
- Shaft or Bearing OD (d1)
:
203.20
mm
(Equiv. 8 in.) - Clip Thickness (T)
4.75
mm
+/- 0.05
(Equiv. 0.187 in.) - Groove Dia. (Dg)
194.56
mm
+/- 0.20
(Equiv. 7.66 in.) - Approx. Loose Circlip ID (A) 192.02 mm + 0.00 / - 4.00
- Radial Wall (S) Approx. 12.70 mm +/- 0.13
- Groove Width (W) 5.31 mm
- Approx. Loose Clip OD 217.42
- Info Basic
- Section Profile Rectangular with Square Edge
- Material Carbon Spring Steel
Product Compliance and Data
Additional Resources
Cross References
- NoCor USC-800
- Rotorclip USC-800
- Eaton XAN-800
- USC800
- XAN800
- WRE2032SR


