
Miniature Bearings Australia
WRE-1900-LS - Datasheet
MBA
Category Information
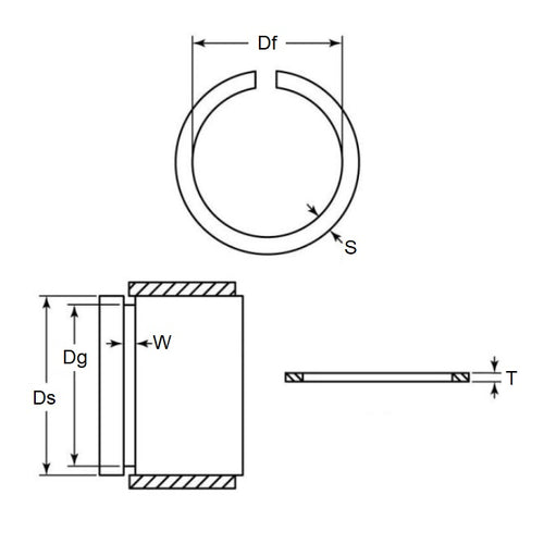
Retaining Rings - External - Snap Rings - Carbon SteelCarbon Steel Snap Rings External Retaining Rings. Includes series M3200 / SP / ESP / M2400 / SW snaprings. Similar to a circlip without the lugs.
- An expanded range may be available on special order. Please enquire.
- Carbon sping steel
- Used on the outside diameter of a bearing, shaft or similar equipment
Product Data
- Shaft or Bearing OD (d1)
:
190.00
mm
(Equiv. 7.48 in.) - Clip Thickness (T)
3.00
mm
+ 0 / - 0.10
(Equiv. 0.118 in.) - Groove Dia. (Dg)
187.00
mm
+ 0 / - 0.29
(Equiv. 7.362 in.) - Approx. Loose Circlip ID (A) 185.10 mm
- Radial Wall (S) Approx. 5.00 mm + 0 / - 0.10
- Groove Width (W) 3.20 mm
- Approx. Loose Clip OD 195.1
- Section Profile Rectangular with Square Edge
- Material Carbon Spring Steel
Product Compliance and Data
Additional Resources
Cross References
- NoCor DSW-190
- Seeger M2400-1900
- Seeger M2400-1900APP
- Seeger SW190
- DSW190
- WRE1900SQ
- M24001900
- M24001900APP


