
Miniature Bearings Australia
WRE-1842-LS - Datasheet
ENQUIRE
Category Information
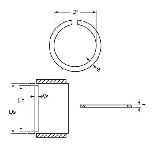
Retaining Rings - External - Snap Rings - Carbon SteelCarbon Steel Snap Rings External Retaining Rings. Includes series M3200 / SP / ESP / M2400 / SW snaprings. Similar to a circlip without the lugs.
- An expanded range may be available on special order. Please enquire.
- Carbon sping steel
- Used on the outside diameter of a bearing, shaft or similar equipment
Product Data
- Shaft or Bearing OD (d1)
:
184.15
mm
(Equiv. 7.25 in.) - Clip Thickness (T)
4.75
mm
+/- 0.05
(Equiv. 0.187 in.) - Groove Dia. (Dg)
176.02
mm
+/- 0.20
(Equiv. 6.93 in.) - Approx. Loose Circlip ID (A) 173.74 mm + 0.00 / - 4.00
- Radial Wall (S) Approx. 12.70 mm +/- 0.13
- Groove Width (W) 5.31 mm
- Approx. Loose Clip OD 199.14
- Info Basic
- Section Profile Rectangular with Square Edge
- Material Carbon Spring Steel
Product Compliance and Data
Additional Resources
Cross References
- NoCor® USC-725
- RotorClip® USC-725
- Eaton XAN-725
- USC725
- XAN725
- WRE1842SR


