
Miniature Bearings Australia
WRE-1800-LR - Datasheet
MBA
Category Information
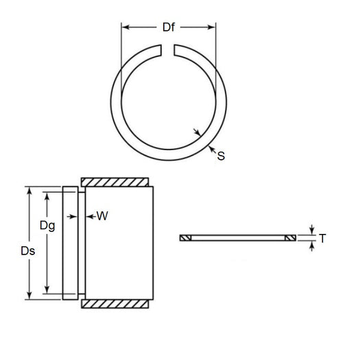
Retaining Rings - External - Snap Rings - Carbon SteelCarbon Steel Snap Rings External Retaining Rings. Includes series M3200 / SP / ESP / M2400 / SW snaprings. Similar to a circlip without the lugs.
- An expanded range may be available on special order. Please enquire.
- Carbon sping steel
- Used on the outside diameter of a bearing, shaft or similar equipment
Product Data
- Shaft or Bearing OD (d1)
:
180.00
mm
(Equiv. 7.087 in.) - Clip Thickness (T)
3.10
mm
+ 0 / - 0.10
(Equiv. 0.122 in.) - Groove Dia. (Dg)
173.66
mm
+ 0 / - 0.50
(Equiv. 6.837 in.) - Approx. Loose Circlip ID (A) 172.80 mm
- Radial Wall (S) Approx. 9.60 mm + 0 / - 0.10
- Groove Width (W) 3.80 mm
- Approx. Loose Clip OD 192
- Info Radiused Edge
- Section Profile Rectangular with Radiused Edge
- Material Carbon Spring Steel
Product Compliance and Data
Additional Resources
Cross References
- NoCor DSP-180
- Seeger SP-180
- SP180
- DSP180
- WRE1800SR
- M32001800
- M3200-1800


