
Miniature Bearings Australia
WRE-1651-LS - Datasheet
MBA
Category Information
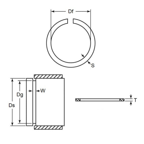
Retaining Rings - External - Snap Rings - Carbon SteelCarbon Steel Snap Rings External Retaining Rings. Includes series M3200 / SP / ESP / M2400 / SW snaprings. Similar to a circlip without the lugs.
- An expanded range may be available on special order. Please enquire.
- Carbon sping steel
- Used on the outside diameter of a bearing, shaft or similar equipment
Product Data
- Shaft or Bearing OD (d1)
:
165.10
mm
(Equiv. 6.5 in.) - Clip Thickness (T)
3.96
mm
+/- 0.05
(Equiv. 0.156 in.) - Groove Dia. (Dg)
158.14
mm
+/- 0.20
(Equiv. 6.226 in.) - Approx. Loose Circlip ID (A) 156.24 mm + 0.00 / - 3.18
- Radial Wall (S) Approx. 11.10 mm +/- 0.13
- Groove Width (W) 4.42 mm
- Approx. Loose Clip OD 178.44
- Info Basic
- Section Profile Rectangular with Square Edge
- Material Carbon Spring Steel
Product Compliance and Data
Additional Resources
Cross References
- NoCor USC-650
- Rotorclip USC-650
- Eaton XAN-650
- USC650
- WRE1651SR
- XAN650



