
Miniature Bearings Australia
WRE-1397-LS-L - Datasheet
ENQUIRE
Category Information
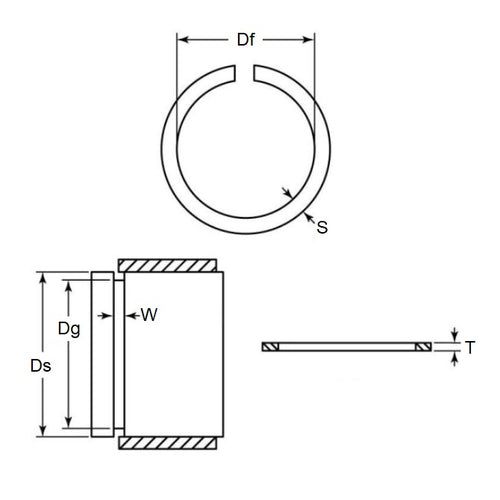
Retaining Rings - External - Snap Rings - Carbon SteelCarbon Steel Snap Rings External Retaining Rings. Includes series M3200 / SP / ESP / M2400 / SW snaprings. Similar to a circlip without the lugs.
- An expanded range may be available on special order. Please enquire.
- Carbon sping steel
- Used on the outside diameter of a bearing, shaft or similar equipment
Product Data
- Shaft or Bearing OD (d1)
:
139.70
mm
(Equiv. 5.5 in.) - Clip Thickness (T)
2.36
mm
+/- 0.05
(Equiv. 0.093 in.) - Groove Dia. (Dg)
135.64
mm
+/- 0.15
(Equiv. 5.34 in.) - Approx. Loose Circlip ID (A) 134.11 mm - 0.00 / + 3.20
- Radial Wall (S) Approx. 6.35 mm +/- 0.13
- Groove Width (W) 2.62 mm
- Approx. Loose Clip OD 146.81
- Info Light Duty
- Section Profile Rectangular with Square Edge
- Material Carbon Spring Steel
Product Compliance and Data
Additional Resources
Cross References
- Eaton XD-550
- NoCor® XD-550
- WRE1397SRL
- XD550


