
Miniature Bearings Australia
WRE-0143-SQ-C - Datasheet
MBA
Category Information
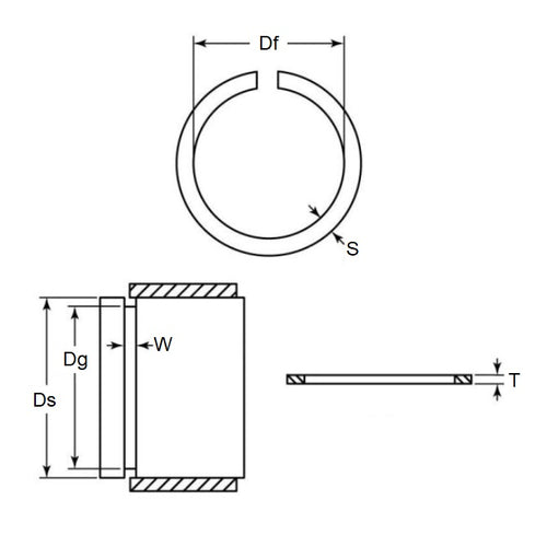
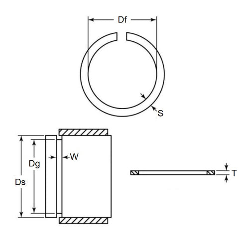
Retaining Rings - External - Snap Rings - Carbon SteelCarbon Steel Snap Rings External Retaining Rings. Includes series M3200 / SP / ESP / M2400 / SW snaprings. Similar to a circlip without the lugs.
- An expanded range may be available on special order. Please enquire.
- Carbon sping steel
- Used on the outside diameter of a bearing, shaft or similar equipment
Product Data
- Shaft or Bearing OD (d1)
:
14.28
mm
(Equiv. 0.562 in.) - Clip Thickness (T)
1.58
mm
+/- 0.05
(Equiv. 0.062 in.) - Groove Dia. (Dg)
13.46
mm
+ 0.08 / - 0.00
(Equiv. 0.53 in.) - Approx. Loose Circlip ID (A) 13.34 mm + 0.00 / - 0.65
- Radial Wall (S) Approx. 1.58 mm +/- 0.05
- Groove Width (W) 1.75 mm
- Approx. Loose Clip OD 16.5
- Info Axial Assembly - Closed Gap
- Section Profile Square Section
- Material Carbon Spring Steel
Product Compliance and Data
Additional Resources
Cross References
- Eaton 300-124
- Arcon XSC-124
- NoCor XSC-124
- XSC124
- 300124
- A0700-124
- A0700124


