
Miniature Bearings Australia
WRE-0127-SQ-C - Datasheet
MBA
Category Information
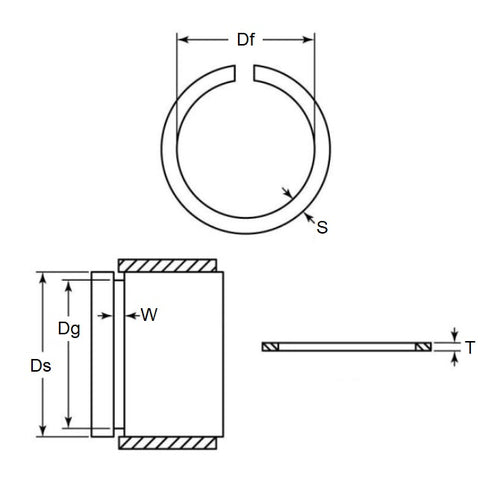
Retaining Rings - External - Snap Rings - Carbon SteelCarbon Steel Snap Rings External Retaining Rings. Includes series M3200 / SP / ESP / M2400 / SW snaprings. Similar to a circlip without the lugs.
- An expanded range may be available on special order. Please enquire.
- Carbon sping steel
- Used on the outside diameter of a bearing, shaft or similar equipment
Product Data
- Shaft or Bearing OD (d1)
:
12.70
mm
(Equiv. 0.5 in.) - Clip Thickness (T)
1.17
mm
+/- 0.05
(Equiv. 0.046 in.) - Groove Dia. (Dg)
12.09
mm
+ 0.08 / - 0.00
(Equiv. 0.476 in.) - Approx. Loose Circlip ID (A) 11.96 mm + 0.00 / - 0.65
- Radial Wall (S) Approx. 1.17 mm +/- 0.05
- Groove Width (W) 1.32 mm
- Approx. Loose Clip OD 14.3
- Info Axial Assembly - Closed Gap
- Section Profile Square Section
- Material Carbon Spring Steel
Product Compliance and Data
Additional Resources
Cross References
- Eaton 300-122
- Arcon XSC-122
- NoCor XSC-122
- XSC122
- 300122
- A0700-122
- A0700122


