
Miniature Bearings Australia
WRE-1250-LR - Datasheet
MBA
Category Information
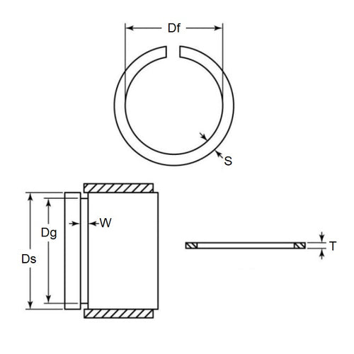
Retaining Rings - External - Snap Rings - Carbon SteelCarbon Steel Snap Rings External Retaining Rings. Includes series M3200 / SP / ESP / M2400 / SW snaprings. Similar to a circlip without the lugs.
- An expanded range may be available on special order. Please enquire.
- Carbon sping steel
- Used on the outside diameter of a bearing, shaft or similar equipment
Product Data
- Shaft or Bearing OD (d1)
:
125.00
mm
(Equiv. 4.921 in.) - Clip Thickness (T)
2.82
mm
+ 0 / - 0.10
(Equiv. 0.111 in.) - Groove Dia. (Dg)
120.22
mm
+ 0 / - 0.50
(Equiv. 4.733 in.) - Approx. Loose Circlip ID (A) 119.60 mm
- Radial Wall (S) Approx. 7.21 mm + 0 / - 0.10
- Groove Width (W) 3.40 mm
- Approx. Loose Clip OD 134.02
- Info Radiused Edge
- Section Profile Rectangular with Radiused Edge
- Material Carbon Spring Steel
Product Compliance and Data
Additional Resources
Cross References
- NoCor DSP-125
- Seeger M3200-1250
- Seeger SP-125
- Seeger SP125A501-PRS
- DSP125
- WRE1250SR
- SP125A501PRS
- M32001250


