
Miniature Bearings Australia
WRE-1143-LS-N - Datasheet
MBA
Category Information
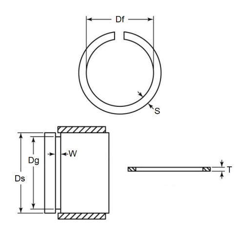
Retaining Rings - External - Snap Rings - Carbon SteelCarbon Steel Snap Rings External Retaining Rings. Includes series M3200 / SP / ESP / M2400 / SW snaprings. Similar to a circlip without the lugs.
- An expanded range may be available on special order. Please enquire.
- Carbon sping steel
- Used on the outside diameter of a bearing, shaft or similar equipment
Product Data
- Shaft or Bearing OD (d1)
:
114.30
mm
(Equiv. 4.5 in.) - Clip Thickness (T)
2.77
mm
+/- 0.05
(Equiv. 0.109 in.) - Groove Dia. (Dg)
109.47
mm
+/- 0.15
(Equiv. 4.31 in.) - Approx. Loose Circlip ID (A) 108.46 mm + 0.00 / - 2.36
- Radial Wall (S) Approx. 7.93 mm +/- 0.13
- Groove Width (W) 3.05 mm
- Approx. Loose Clip OD 124.32
- Info Notched
- Section Profile Rectangular with Square Edge
- Material Carbon Spring Steel
Product Compliance and Data
Additional Resources
Cross References
- Eaton EN-450
- NoCor USH-450
- Rotorclip USH-450
- USH450
- EN450
- WRE1143SRN


