
Miniature Bearings Australia
WRE-0111-LS-L - Datasheet
MBA
Category Information
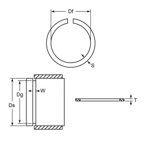
Retaining Rings - External - Snap Rings - Carbon SteelCarbon Steel Snap Rings External Retaining Rings. Includes series M3200 / SP / ESP / M2400 / SW snaprings. Similar to a circlip without the lugs.
- An expanded range may be available on special order. Please enquire.
- Carbon sping steel
- Used on the outside diameter of a bearing, shaft or similar equipment
Product Data
- Shaft or Bearing OD (d1)
:
11.13
mm
(Equiv. 0.438 in.) - Clip Thickness (T)
0.64
mm
+/- 0.03
(Equiv. 0.025 in.) - Groove Dia. (Dg)
10.52
mm
(Equiv. 0.414 in.) - Approx. Loose Circlip ID (A) 10.47 mm + 0.00 / - 0.52
- Radial Wall (S) Approx. 1.14 mm
- Groove Width (W) 0.71 mm
- Approx. Loose Clip OD 12.75
- Section Profile Rectangular with Square Edge
- Material Carbon Spring Steel
Product Compliance and Data
Additional Resources
Cross References
- Arcon TRC-043
- NoCor TRC-043
- WRE0111SRL
- A0500-043
- A0500043
- TRC043


