
Miniature Bearings Australia
WRE-0111-SQ-C - Datasheet
MBA
Category Information
Retaining Rings - External - Snap Rings - Carbon SteelCarbon Steel Snap Rings External Retaining Rings. Includes series M3200 / SP / ESP / M2400 / SW snaprings. Similar to a circlip without the lugs.
- An expanded range may be available on special order. Please enquire.
- Carbon sping steel
- Used on the outside diameter of a bearing, shaft or similar equipment
Product Data
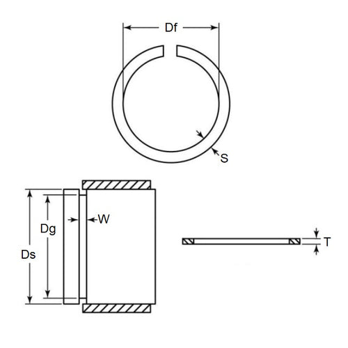
- Shaft or Bearing OD (d1)
:
11.13
mm
(Equiv. 0.438 in.) - Clip Thickness (T)
0.99
mm
+/- 0.05
(Equiv. 0.039 in.) - Groove Dia. (Dg)
10.59
mm
+ 0.08 / - 0.00
(Equiv. 0.417 in.) - Approx. Loose Circlip ID (A) 10.49 mm + 0.00 / - 0.50
- Radial Wall (S) Approx. 0.99 mm +/- 0.05
- Groove Width (W) 1.14 mm
- Approx. Loose Clip OD 12.47
- Info Axial Assembly - Closed Gap
- Section Profile Square Section
- Material Carbon Spring Steel
Product Compliance and Data
Additional Resources
Cross References
- Eaton 300-120
- Arcon XSC-120
- NoCor XSC-120
- XSC120
- 300120
- A0700-120
- A0700120


