
Miniature Bearings Australia
0R-0400-2000-P-AL-T39 - Datasheet
MBA
Category Information
Shafting - Pipe - AluminiumAluminium Pipe Shafting. Recommended for use with Igubal Drylin bearings only.
- Material : AlMgSi 0.5 F22 Hollow Shaft
- Tolerance: h9 - h11. Roundness: DIN 1798. Straightness: DIN 1798.
- Hardness: 75HB. Surface: Hard anodised. Oxidisation (wear resistant Al. Oxide) Layer Thickness: Greater than 40um.
- Surface Hardness: 450-550 HV. Roughness: Ra Less than 0.5. Special Electrical Resistance: 4*1011 Ohm mm2/m.
- Chemical Resistance: Ph Greater than 2 and Less than 9
Product Data
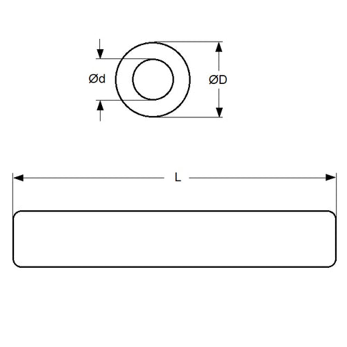
- OD (D)
:
40.000
mm
+ 0.000 / - 0.039
(Equiv. 1.575 in.) - Nominal ID (d)
20.00
mm
(Equiv. 0.787 in.) - Length (L)
2000
mm
(Equiv. 78.74 in.) - Material Aluminium
Product Compliance and Data
Additional Resources


