
Miniature Bearings Australia
SPF7SRS - Datasheet
ENQUIRE
Category Information
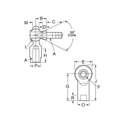
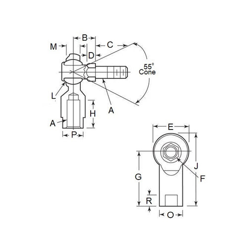
Rod Ends - Female - Steel - Studded - Nylon SeatNylon Seat Studded Steel Female Rod Ends. Housing is plated and dichromate treated steel.
- An expanded range may be available on special order. Please enquire.
- Ball is case hardened and plated
- Stud is permanently affixed and made from heat treated alloy steel, zinc plated.
Product Data
- Thread Size : 7/16-20 UNF (11.11mm) Right Hand
- Thread Length (H)
26.19
mm
(Equiv. 1.031 in.) - Thread Length (C)
26.98
mm
(Equiv. 1.062 in.) - Head Diameter (E) 28.58 mm
- Centre Height (G) 46.03 mm
- Top Width (M) 11.10 mm
- Ball Width (L) 14.28 mm
- Base Width 19.05 mm
- Base Length (P) 15.88 mm
Product Compliance and Data
Additional Resources
Cross References
- Reid Tool® SPF-7S
- SPF7S


