
Miniature Bearings Australia
RT-060-0600-120-200-HH - Datasheet
MBA
Category Information
Ratchets and Pawls - Ratchets - With HubWith Hub Ratchets Ratchets and Pawls. Match with pawls listed on this site.
- An expanded range may be available on special order. Please enquire.
Product Data
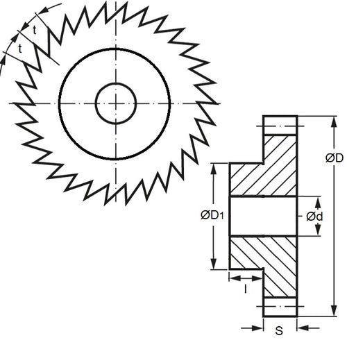
- Pitch : 3.140 CP
- Teeth (No.) 60
- Outside Diameter
60
mm
(Equiv. 2.362 in.) - Bore 20.00 mm
- Face Width 12 mm
- Hub Diameter 40 mm
- Hub Projection 12 mm
- Additional Info Pawl ordered separately
- Teeth Depth 1 mm
- Bore Config 6.0x2.8 Keway
- Material Carbon Steel - Hardened 48-53 HRC
Product Compliance and Data
Additional Resources
Cross References
- SRTB160J20



