
Miniature Bearings Australia
RT-050-0500-120-120-HH - Datasheet
MBA
Category Information
Ratchets and Pawls - Ratchets - With HubWith Hub Ratchets Ratchets and Pawls. Match with pawls listed on this site.
- An expanded range may be available on special order. Please enquire.
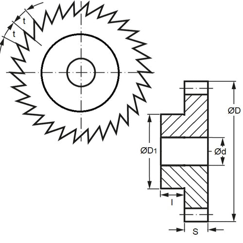
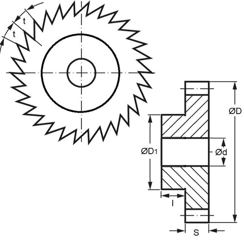
Product Data
- Pitch : 3.140 CP
- Teeth (No.) 50
- Outside Diameter
50
mm
(Equiv. 1.969 in.) - Bore Pilot 12 mm
- Face Width 12 mm
- Hub Diameter 35 mm
- Hub Projection 12 mm
- Additional Info Pawl ordered separately
- Teeth Depth 1 mm
- Bore Config No Keyway
- Material Carbon Steel - Hardened 48-53 HRC
Product Compliance and Data
Additional Resources
Cross References
- SRTB150


