
Miniature Bearings Australia
DB050-064-120 - Datasheet
NoCor
Category Information
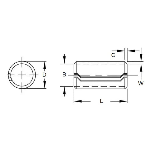
Pins - Dowel BushingsDowel Bushings Pins. Series DB100 Spirol
- An expanded range may be available on special order. Please enquire.
- Spring Steel.
- Precision rolled bushes manufactured from spring steel.
- Designed to eliminate the need for separate dowling where two components are to be located accurately together and fastened with bolts.
- They are available for use with bolts from M5 to M12.
Product Data
Deleted Item. Available while stocks last.
Please contact us first if you wish to use this item in a new design so we can check whether production can be resumed.
- Suitable Bolt Size
:
5.00
mm
(Equiv. 0.197 in.) - Length
12.00
mm
+ 0.0 / - 1.0
(Equiv. 0.472 in.) - Rec. Hole Diameter Min
6.35
mm
(Equiv. 0.25 in.) - Unassembled Diameter (D) Min 6.60 mm
- Unassembled Diameter (D) Max 6.86 mm
- Wall Thickness 0.56 mm
- Rec. Hole Diameter Max 6.48 mm
- Minimum Single Shear 17.40 kN
Product Compliance and Data
Additional Resources
Cross References
- DB513
- DB5-13


