
Miniature Bearings Australia
DB120-151-250 - Datasheet
NoCor
Category Information
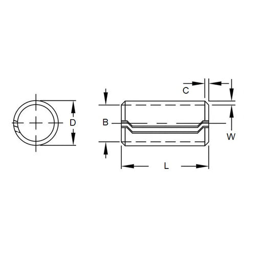
Pins - Dowel BushingsDowel Bushings Pins. Series DB100 Spirol
- An expanded range may be available on special order. Please enquire.
- Spring Steel.
- Precision rolled bushes manufactured from spring steel.
- Designed to eliminate the need for separate dowling where two components are to be located accurately together and fastened with bolts.
- They are available for use with bolts from M5 to M12.
Product Data
- Suitable Bolt Size
:
12.00
mm
(Equiv. 0.472 in.) - Length
25.00
mm
+ 0.0 / - 1.0
(Equiv. 0.984 in.) - Rec. Hole Diameter Min
15.09
mm
(Equiv. 0.594 in.) - Unassembled Diameter (D) Min 15.34 mm
- Unassembled Diameter (D) Max 15.60 mm
- Wall Thickness 1.45 mm
- Rec. Hole Diameter Max 15.22 mm
- Minimum Single Shear 46.50 kN
Product Compliance and Data
Additional Resources
Cross References
- DB1225
- DB12-25


