
Miniature Bearings Australia
DB100-125-250 - Datasheet
NoCor
Category Information
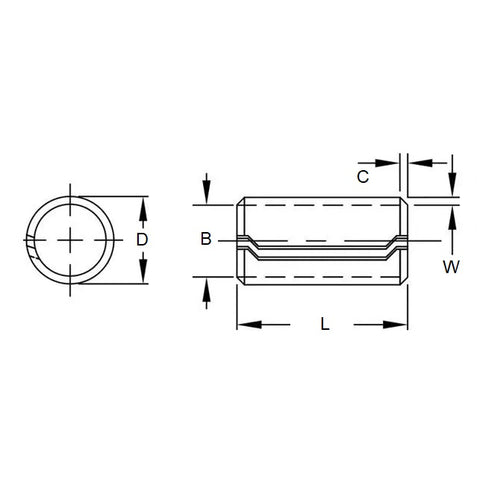
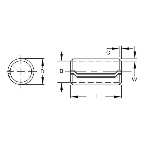
Pins - Dowel BushingsDowel Bushings Pins. Series DB100 Spirol
- An expanded range may be available on special order. Please enquire.
- Spring Steel.
- Precision rolled bushes manufactured from spring steel.
- Designed to eliminate the need for separate dowling where two components are to be located accurately together and fastened with bolts.
- They are available for use with bolts from M5 to M12.
Product Data
- Suitable Bolt Size
:
10.00
mm
(Equiv. 0.394 in.) - Length
25.00
mm
+ 0.0 / - 1.0
(Equiv. 0.984 in.) - Rec. Hole Diameter Min
12.50
mm
(Equiv. 0.492 in.) - Unassembled Diameter (D) Min 12.75 mm
- Unassembled Diameter (D) Max 13.01 mm
- Wall Thickness 1.07 mm
- Rec. Hole Diameter Max 12.63 mm
- Minimum Single Shear 28.50 kN
Product Compliance and Data
Additional Resources
Cross References
- DB10-25
- DB1025


