
Miniature Bearings Australia
DJK-030 - Datasheet
MBA
Category Information
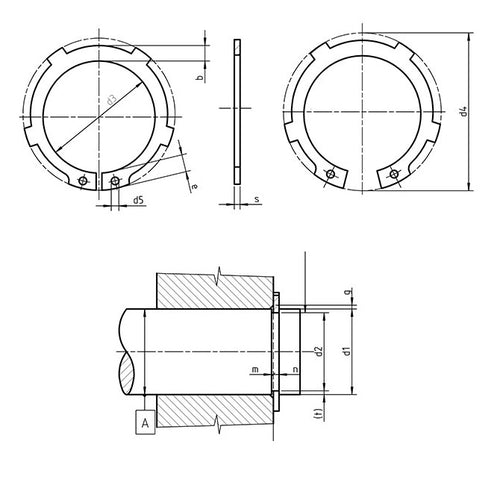
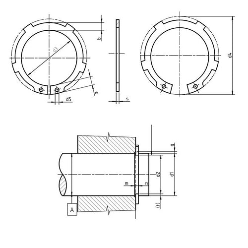
Retaining Rings - Internal - Circlips - TabbedTabbed Circlips Internal Retaining Rings. DIN984 / D2000 / Seeger JK. Retaining rings. Snap Rings (USA).
- An expanded range may be available on special order. Please enquire.
- Internal tabs are concentrically positioned for a concealed assembly.
- Tabs act as spacers for securing machine components.
Product Data
- Housing Bore (B)
:
30.00
mm
(Equiv. 1.181 in.) - Clip Thickness (T)
1.20
mm
+ 0.00 / - 0.25
(Equiv. 0.047 in.) - Groove Dia. (Dg)
31.65
mm
+ 0.00 / - 0.06
(Equiv. 1.246 in.) - Approx. Loose Circlip OD (Dr) 31.85 mm
- Radial Wall (S) Approx. 3.20 mm
- Groove Width (W) 1.30 mm
- Tool PRS-I018
- Material Carbon Spring Steel
Product Compliance and Data
Additional Resources
Cross References
- Seeger JK30-BLS
- Seeger JK30X1.2
- 2000030
- 2000-030
- JK30BLS
- D2000030
- D2000-030


