
Miniature Bearings Australia
DAK-038 - Datasheet
MBA
Category Information
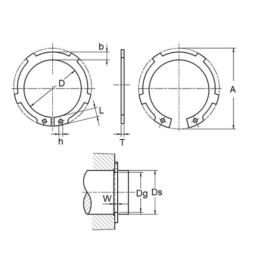
Retaining Rings - External - Circlips - TabbedTabbed Circlips External Retaining Rings. DIN 983 / D2100 / AK. Retaining rings. Snap Rings (USA).
- An expanded range may be available on special order. Please enquire.
- External tabs are concentrically positioned for positioning in a concealed assembly.
- Tabs act as spacers for securing machine components.
- Conforming to DIN 983.
Product Data
- Shaft Diameter (Ds)
:
38.00
mm
(Equiv. 1.496 in.) - Clip Thickness (T)
1.75
mm
+ 0.00 / - 0.25
(Equiv. 0.069 in.) - Groove Dia. (Dg)
36.00
mm
+ 0.00 / - 0.06
(Equiv. 1.417 in.) - Approx. Loose Circlip ID (A) 34.70 mm
- Groove Width (W) 1.85 mm
- Tool PRS-E018
- Material Carbon Spring Steel
Product Compliance and Data
Additional Resources
Cross References
- Seeger AK38-BLS
- Seeger AK38X1.75
- AK38BLS


