
Miniature Bearings Australia
DAK-017 - Datasheet
MBA
Category Information
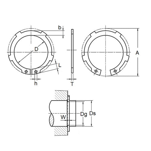
Retaining Rings - External - Circlips - TabbedTabbed Circlips External Retaining Rings. DIN 983 / D2100 / AK. Retaining rings. Snap Rings (USA).
- An expanded range may be available on special order. Please enquire.
- External tabs are concentrically positioned for positioning in a concealed assembly.
- Tabs act as spacers for securing machine components.
- Conforming to DIN 983.
Product Data
- Shaft Diameter (Ds)
:
17.00
mm
(Equiv. 0.669 in.) - Clip Thickness (T)
1.00
mm
+ 0.00 / - 0.12
(Equiv. 0.039 in.) - Groove Dia. (Dg)
16.20
mm
+ 0.00 / - 0.06
(Equiv. 0.638 in.) - Approx. Loose Circlip ID (A) 15.37 mm
- Groove Width (W) 1.10 mm
- Tool PRS-E013
- Material Carbon Spring Steel
Product Compliance and Data
Additional Resources
Cross References
- Seeger AK17-BLS
- Seeger AK17X1
- AK17BLS


