
Miniature Bearings Australia
DAK-140 - Datasheet
ENQUIRE
Category Information
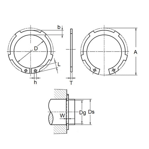
Retaining Rings - External - Circlips - TabbedTabbed Circlips External Retaining Rings. DIN 983 / D2100 / AK. Retaining rings. Snap Rings (USA).
- An expanded range may be available on special order. Please enquire.
- External tabs are concentrically positioned for positioning in a concealed assembly.
- Tabs act as spacers for securing machine components.
- Conforming to DIN 983.
Product Data
- Shaft Diameter (Ds)
:
140.00
mm
(Equiv. 5.512 in.) - Clip Thickness (T)
4.00
mm
+ 0.00 / - 0.10
(Equiv. 0.157 in.) - Groove Dia. (Dg)
136.00
mm
+ 0.00 / - 0.50
(Equiv. 5.354 in.) - Approx. Loose Circlip ID (A) 131.70 - 133.54 mm
- Groove Width (W) 4.15 mm
- Tool PRR-E035
- Material Carbon Spring Steel
Product Compliance and Data
Additional Resources
View full details


